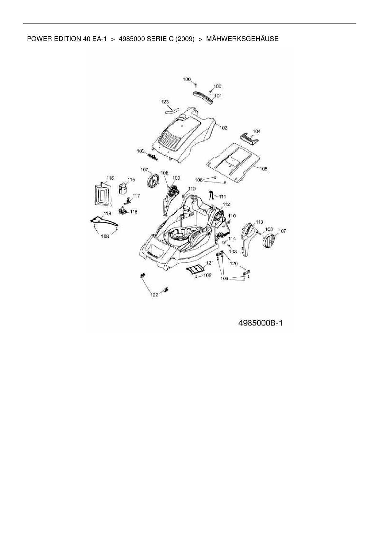
Mähwerksgehäuse

Zeichnung für Wolf-Garten Elektromäher mit Antrieb Power Edition 40 EA-1 mit der Geräte-Artikelnr. 4985000 Serie C ab Baujahr 2009:

Zeichnung Mähwerksgehäuse

Die Ersatzteil-Zeichnung für Elektromäher mit Antrieb Wolf-Garten Power Edition 40 EA-1 als Download:
Download Ersatzteil-Zeichnung Wolf-Garten Power Edition 40 EA-1 Zeichnung Mähwerksgehäuse (PDF-Format)
Download Ersatzteil-Zeichnung Wolf-Garten Power Edition 40 EA-1 Zeichnung Mähwerksgehäuse (JPG-Format)

Sollten Sie Fragen zu einem Ersatzteil haben, können Sie uns gerne eine E-Mail (mit einem Foto vom Typenschild Ihres Gerätes) schreiben oder eine Ersatzteilanfrage stellen.

Ersatzteile für Elektromäher mit Antrieb Wolf-Garten Power Edition 40 EA-1 aus der Zeichnung Mähwerksgehäuse:
Artikel 1 - 19 von 19


Artikel 1 - 19 von 19