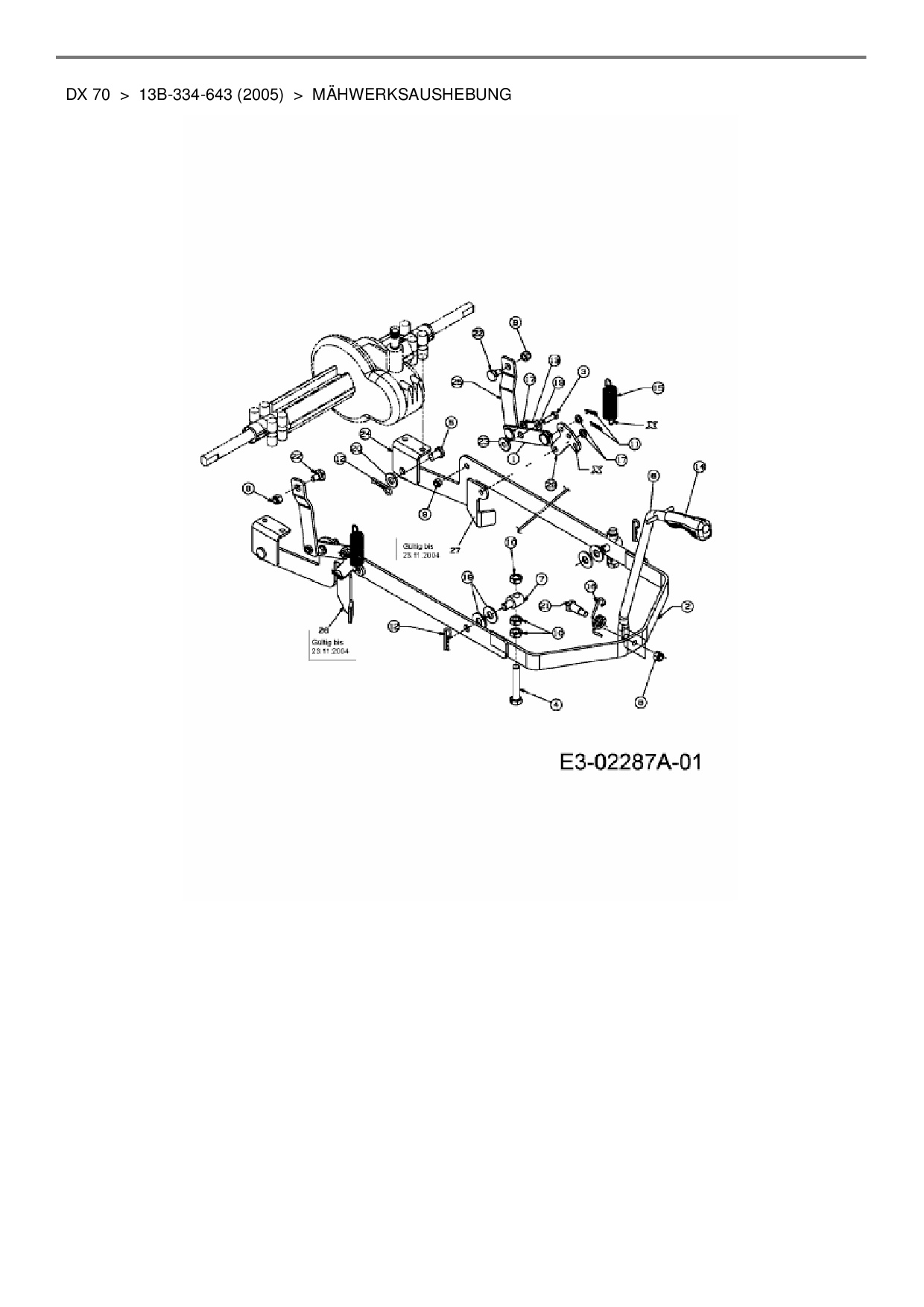
Mähwerksaushebung

Zeichnung für Yard-Man Rasentraktor DX 70 mit der Geräte-Artikelnr. 13B-334-643 ab Baujahr 2005:

Zeichnung Mähwerksaushebung

Die Ersatzteil-Zeichnung für Rasentraktor Yard-Man DX 70 als Download:
Download Ersatzteil-Zeichnung Yard-Man DX 70 Zeichnung Mähwerksaushebung (PDF-Format)
Download Ersatzteil-Zeichnung Yard-Man DX 70 Zeichnung Mähwerksaushebung (JPG-Format)

Sollten Sie Fragen zu einem Ersatzteil haben, können Sie uns gerne eine E-Mail (mit einem Foto vom Typenschild Ihres Gerätes) schreiben oder eine Ersatzteilanfrage stellen.

Ersatzteile für Rasentraktor Yard-Man DX 70 aus der Zeichnung Mähwerksaushebung:
Artikel 1 - 17 von 17

8,97 € *
Lieferzeit: 2 - 10 Werktage
15,70 € *
Lieferzeit: 2 - 10 Werktage
29,88 € *
Lieferzeit: 2 - 10 Werktage
4,88 € *
Lieferzeit: 2 - 10 Werktage
6,88 € *
Lieferzeit: 2 - 10 Werktage
9,88 € *
Lieferzeit: 2 - 10 Werktage
4,88 € *
Lieferzeit: 2 - 10 Werktage
5,88 € *
Lieferzeit: 2 - 10 Werktage
4,88 € *
Lieferzeit: 2 - 10 Werktage
17,71 € *
Lieferzeit: 2 - 10 Werktage
14,88 € *
Lieferzeit: 2 - 10 Werktage
5,88 € *
Lieferzeit: 2 - 10 Werktage
8,88 € *
Lieferzeit: 2 - 10 Werktage
5,88 € *
Lieferzeit: 2 - 10 Werktage
6,88 € *
Lieferzeit: 2 - 10 Werktage
7,88 € *
Lieferzeit: 2 - 10 Werktage
7,88 € *
Lieferzeit: 2 - 10 Werktage

Artikel 1 - 17 von 17