Mähwerksaushebung

Zeichnung für Wolf-Garten Expert Rasentraktor Expert Scooter Pro mit der Geräte-Artikelnr. 13B226ED650 ab Baujahr 2013:

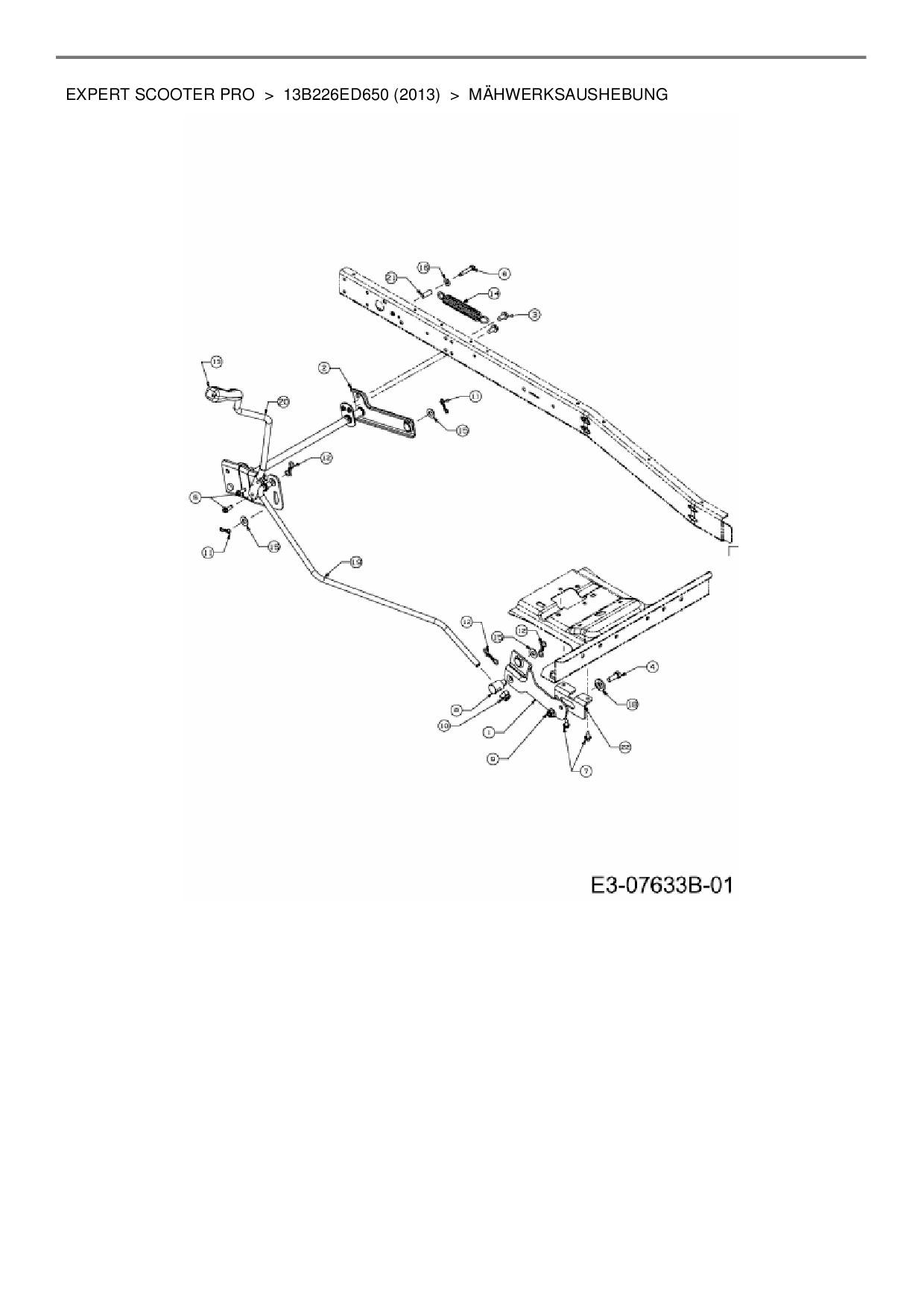
Zeichnung Mähwerksaushebung

Die Ersatzteil-Zeichnung für Rasentraktor Wolf-Garten Expert Expert Scooter Pro als Download:
Download Ersatzteil-Zeichnung Wolf-Garten Expert Expert Scooter Pro Zeichnung Mähwerksaushebung (PDF-Format)
Download Ersatzteil-Zeichnung Wolf-Garten Expert Expert Scooter Pro Zeichnung Mähwerksaushebung (JPG-Format)

Sollten Sie Fragen zu einem Ersatzteil haben, können Sie uns gerne eine E-Mail (mit einem Foto vom Typenschild Ihres Gerätes) schreiben oder eine Ersatzteilanfrage stellen.

Ersatzteile für Rasentraktor Wolf-Garten Expert Expert Scooter Pro aus der Zeichnung Mähwerksaushebung:
Artikel 1 - 21 von 21

17,70 € *
Lieferzeit: 2 - 10 Werktage
4,88 € *
Lieferzeit: 2 - 10 Werktage
17,23 € *
Lieferzeit: 2 - 10 Werktage
31,18 € *
Lieferzeit: 2 - 10 Werktage

Artikel 1 - 21 von 21