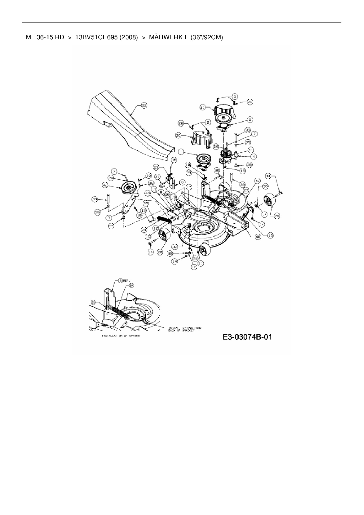
Mähwerk E (36"/92cm)

Zeichnung für Massey Ferguson Rasentraktor MF 36-15 RD mit der Geräte-Artikelnr. 13BV51CE695 ab Baujahr 2008:

Zeichnung Mähwerk E (36"/92cm)

Die Ersatzteil-Zeichnung für Rasentraktor Massey Ferguson MF 36-15 RD als Download:
Download Ersatzteil-Zeichnung Massey Ferguson MF 36-15 RD Zeichnung Mähwerk E (36"/92cm) (PDF-Format)
Download Ersatzteil-Zeichnung Massey Ferguson MF 36-15 RD Zeichnung Mähwerk E (36"/92cm) (JPG-Format)

Sollten Sie Fragen zu einem Ersatzteil haben, können Sie uns gerne eine E-Mail (mit einem Foto vom Typenschild Ihres Gerätes) schreiben oder eine Ersatzteilanfrage stellen.

Ersatzteile für Rasentraktor Massey Ferguson MF 36-15 RD aus der Zeichnung Mähwerk E (36"/92cm):
Artikel 1 - 20 von 41

114,62 € *
Lieferzeit: 2 - 10 Werktage
118,50 € *
Lieferzeit: 2 - 10 Werktage
6,88 € *
Lieferzeit: 2 - 10 Werktage
13,16 € *
Lieferzeit: 2 - 10 Werktage

Artikel 1 - 20 von 41