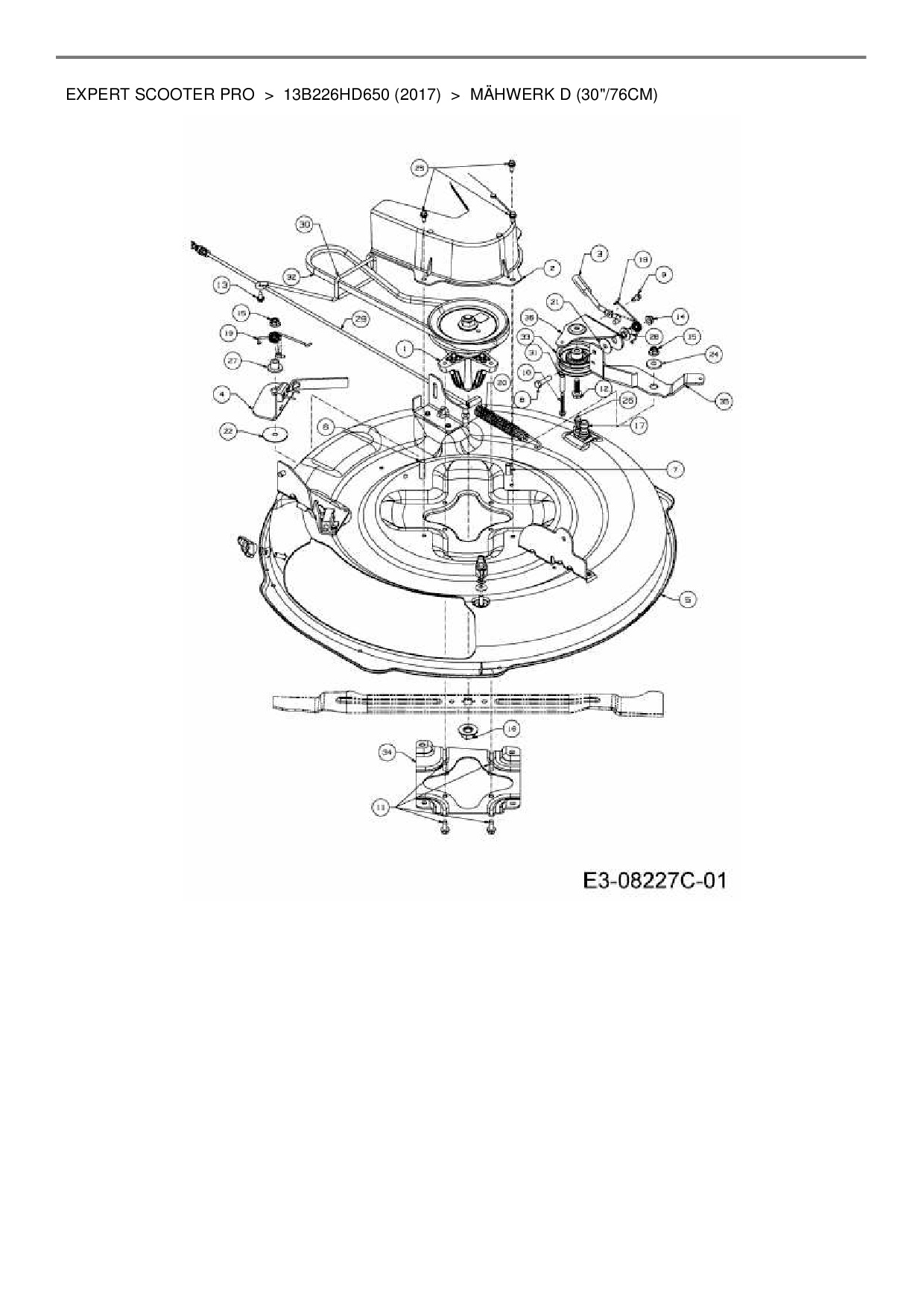
Mähwerk D (30"/76cm)

Zeichnung für Wolf-Garten Expert Rasentraktor Expert Scooter Pro mit der Geräte-Artikelnr. 13B226HD650 ab Baujahr 2017:

Zeichnung Mähwerk D (30"/76cm)

Die Ersatzteil-Zeichnung für Rasentraktor Wolf-Garten Expert Expert Scooter Pro als Download:
Download Ersatzteil-Zeichnung Wolf-Garten Expert Expert Scooter Pro Zeichnung Mähwerk D (30"/76cm) (PDF-Format)
Download Ersatzteil-Zeichnung Wolf-Garten Expert Expert Scooter Pro Zeichnung Mähwerk D (30"/76cm) (JPG-Format)

Sollten Sie Fragen zu einem Ersatzteil haben, können Sie uns gerne eine E-Mail (mit einem Foto vom Typenschild Ihres Gerätes) schreiben oder eine Ersatzteilanfrage stellen.

Ersatzteile für Rasentraktor Wolf-Garten Expert Expert Scooter Pro aus der Zeichnung Mähwerk D (30"/76cm):
Artikel 1 - 20 von 35

36,08 € *
Lieferzeit: 2 - 10 Werktage
15,62 € *
Lieferzeit: 2 - 10 Werktage
16,02 € *
Lieferzeit: 2 - 10 Werktage
13,92 € *
Lieferzeit: 2 - 10 Werktage

Artikel 1 - 20 von 35