Lüfterseite | agria 66/3

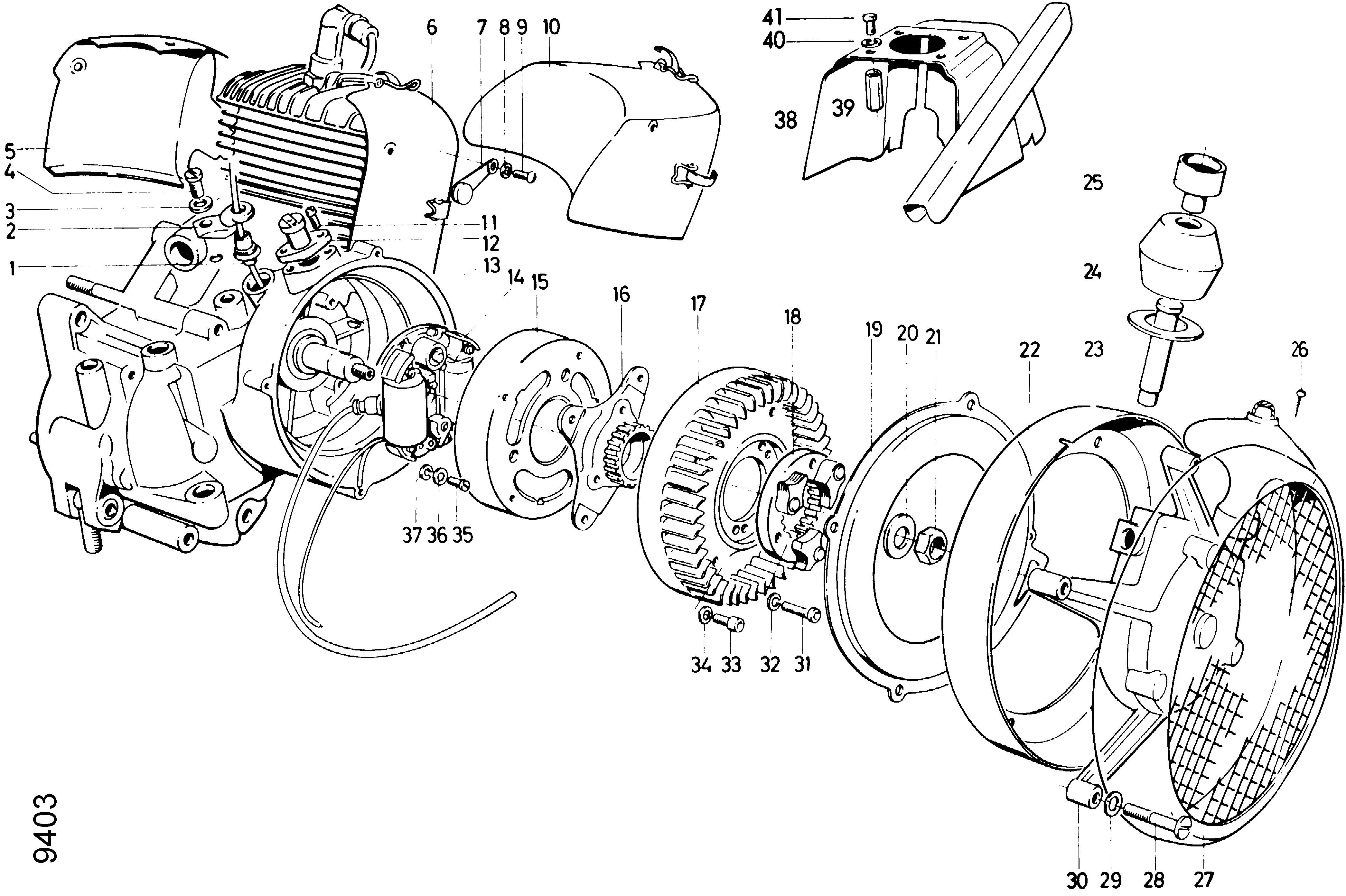
Ersatzteile für Agria # Bodenfräse # agria 2100 # Art-Nr 2100041 | agria 2100 # Motor Einzelteile # Lüfterseite | agria 66/3

Zeichnung

Sollten Sie Fragen zu einem Ersatzteil für Agria Bodenfräse haben, können Sie uns gerne eine E-Mail (mit einem Foto vom Typenschild Ihres Gerätes) schreiben oder eine Ersatzteilanfrage stellen.

Folgende Ersatzteile für Agria # Bodenfräse # agria 2100 # Art-Nr 2100041 | agria 2100 # Motor Einzelteile # Lüfterseite | agria 66/3 können Sie hier bestellen:
Artikel 1 - 45 von 45


Artikel 1 - 45 von 45