Lüftergehäuse, Reversierstarter | B&S 112232-0652

Ersatzteile für Agria # Motorhacken # agria 0100 # Art-Nr 0100461 | agria 0100-4/2 Motorhacke # Motor Einzelteile # Lüftergehäuse, Reversierstarter | B&S 112232-0652

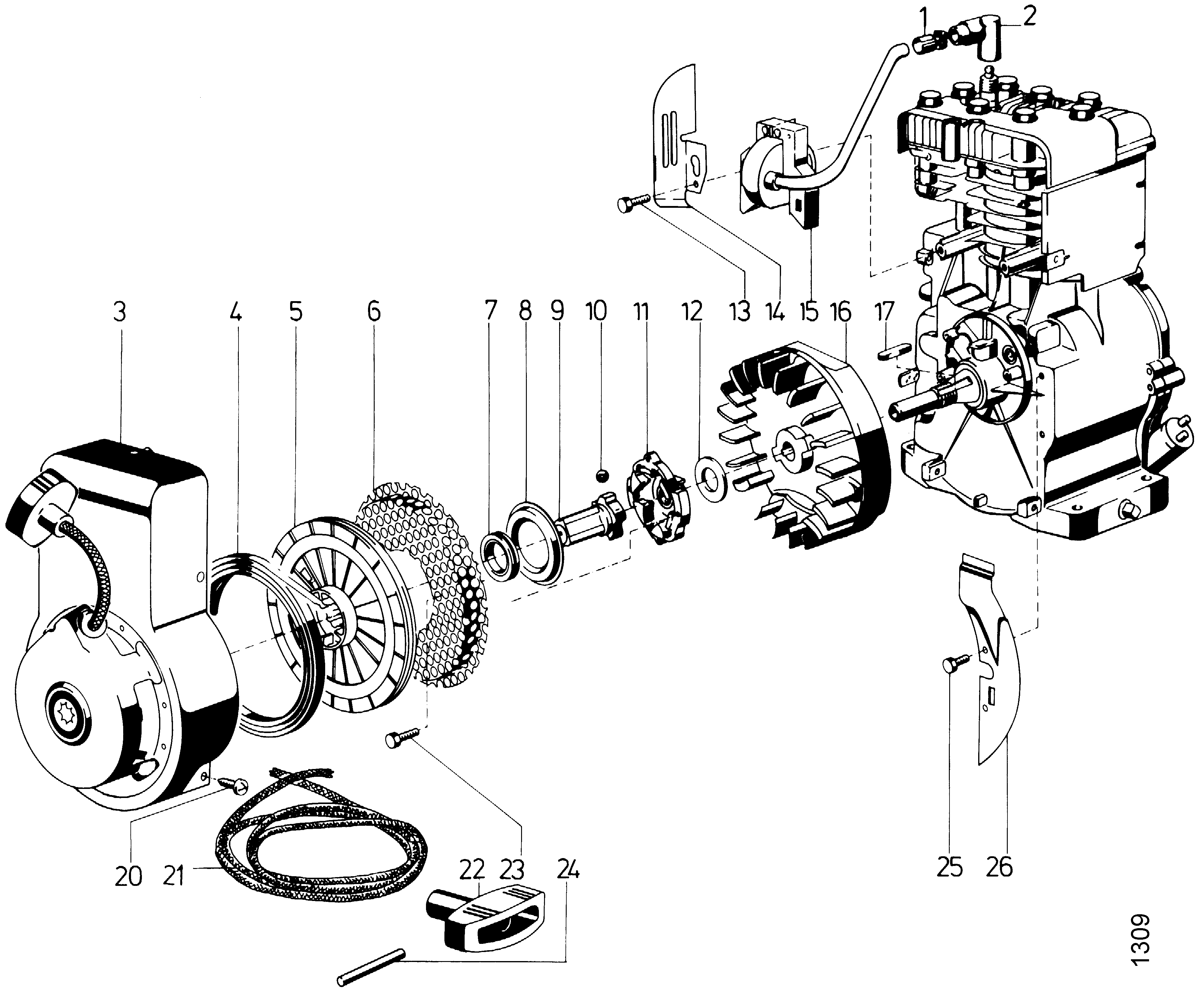
Zeichnung

Sollten Sie Fragen zu einem Ersatzteil für Agria Motorhacken haben, können Sie uns gerne eine E-Mail (mit einem Foto vom Typenschild Ihres Gerätes) schreiben oder eine Ersatzteilanfrage stellen.

Folgende Ersatzteile für Agria # Motorhacken # agria 0100 # Art-Nr 0100461 | agria 0100-4/2 Motorhacke # Motor Einzelteile # Lüftergehäuse, Reversierstarter | B&S 112232-0652 können Sie hier bestellen:
Artikel 1 - 17 von 17


Artikel 1 - 17 von 17