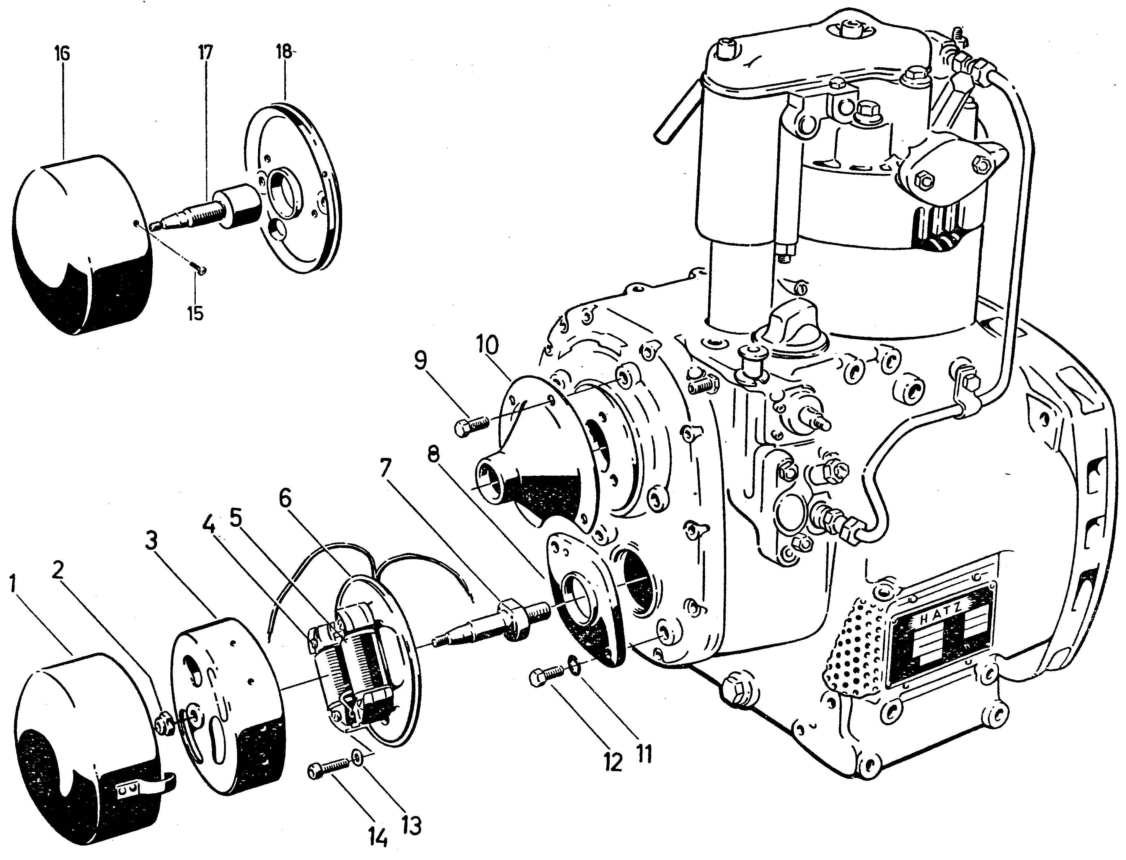
Lichtmaschine | Hatz E785

Ersatzteile für Agria # Motore # Hatz # Art-Nr 0017785 | Hatz E785 # Motor Einzelteile # Lichtmaschine | Hatz E785

Zeichnung

Sollten Sie Fragen zu einem Ersatzteil für Agria Motore haben, können Sie uns gerne eine E-Mail (mit einem Foto vom Typenschild Ihres Gerätes) schreiben oder eine Ersatzteilanfrage stellen.

Folgende Ersatzteile für Agria # Motore # Hatz # Art-Nr 0017785 | Hatz E785 # Motor Einzelteile # Lichtmaschine | Hatz E785 können Sie hier bestellen:
Artikel 1 - 8 von 8


Artikel 1 - 8 von 8