Lenkrad, Lenksäule, Räder vorne

Zeichnung für Yard-Man Rasentraktor FH 125 mit der Geräte-Artikelnr. 13A-525-643 ab Baujahr 2000:

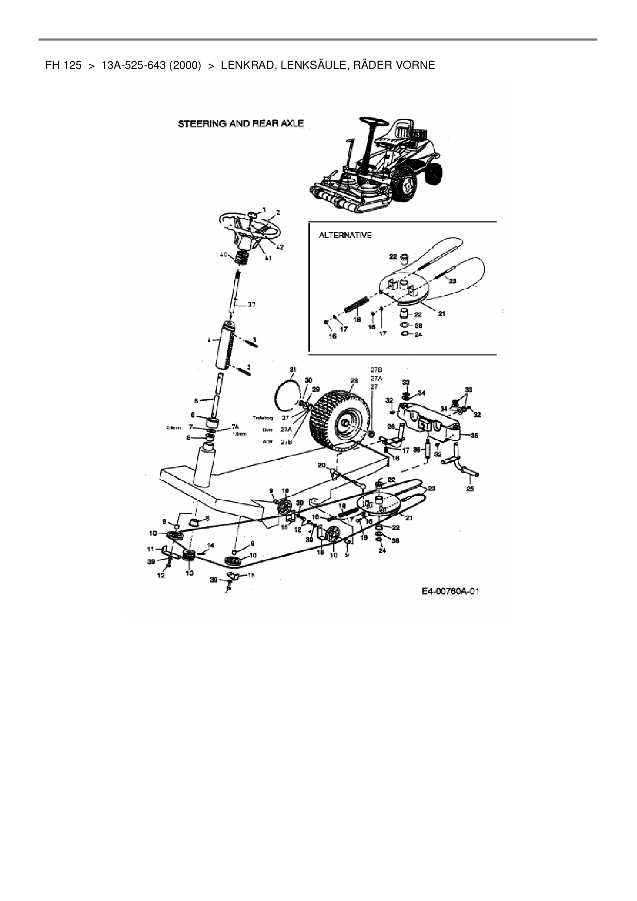
Zeichnung Lenkrad, Lenksäule, Räder vorne

Die Ersatzteil-Zeichnung für Rasentraktor Yard-Man FH 125 als Download:
Download Ersatzteil-Zeichnung Yard-Man FH 125 Zeichnung Lenkrad, Lenksäule, Räder vorne (PDF-Format)
Download Ersatzteil-Zeichnung Yard-Man FH 125 Zeichnung Lenkrad, Lenksäule, Räder vorne (JPG-Format)

Sollten Sie Fragen zu einem Ersatzteil haben, können Sie uns gerne eine E-Mail (mit einem Foto vom Typenschild Ihres Gerätes) schreiben oder eine Ersatzteilanfrage stellen.

Ersatzteile für Rasentraktor Yard-Man FH 125 aus der Zeichnung Lenkrad, Lenksäule, Räder vorne:
Artikel 1 - 10 von 10

11,08 € *
Lieferzeit: 2 - 10 Werktage
80,57 € *
Lieferzeit: 2 - 10 Werktage
4,88 € *
Lieferzeit: 2 - 10 Werktage
4,88 € *
Lieferzeit: 2 - 10 Werktage
30,88 € *
Lieferzeit: 2 - 10 Werktage
21,76 € *
Lieferzeit: 2 - 10 Werktage
4,88 € *
Lieferzeit: 2 - 10 Werktage
25,32 € *
Lieferzeit: 2 - 10 Werktage
5,88 € *
Lieferzeit: 2 - 10 Werktage
5,88 € *
Lieferzeit: 2 - 10 Werktage

Artikel 1 - 10 von 10