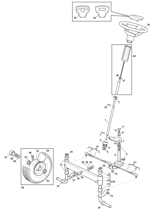
Lenkgetriebe

Zeichnung von Mountfield Aufsitzmäher 1328H (Geräte Nr 2T0210483/M18) ab 2021:

Klicken Sie auf diese Zeichnung

Sollten Sie Fragen zu einem Ersatzteil haben, können Sie uns gerne eine Ersatzteilanfrage stellen.

Hier finden Sie alle Ersatzteile von Mountfield Aufsitzmäher 1328H (Geräte Nr 2T0210483/M18) ab 2021 aus der Zeichnung Lenkgetriebe:
Artikel 1 - 20 von 41


Artikel 1 - 20 von 41