Lenkgetriebe, Spurstange, Stoßstange

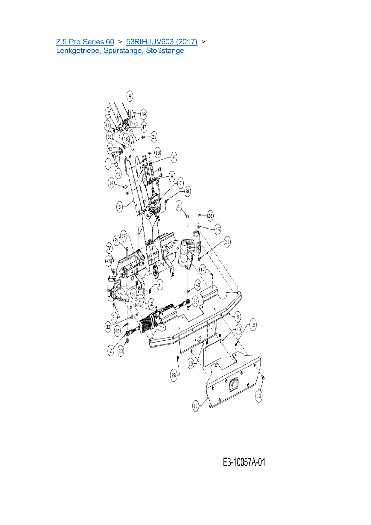
Zeichnung für Cub Cadet Zero Turn Z 5 Pro Series 60 mit der Geräte-Artikelnr. 53RIHJUV603 ab Baujahr 2017:

Zeichnung Lenkgetriebe, Spurstange, Stoßstange

Die Ersatzteil-Zeichnung für Zero Turn Cub Cadet Z 5 Pro Series 60 als Download:
Download Ersatzteil-Zeichnung Cub Cadet Z 5 Pro Series 60 Zeichnung Lenkgetriebe, Spurstange, Stoßstange (PDF-Format)
Download Ersatzteil-Zeichnung Cub Cadet Z 5 Pro Series 60 Zeichnung Lenkgetriebe, Spurstange, Stoßstange (JPG-Format)

Sollten Sie Fragen zu einem Ersatzteil haben, können Sie uns gerne eine E-Mail (mit einem Foto vom Typenschild Ihres Gerätes) schreiben oder eine Ersatzteilanfrage stellen.

Ersatzteile für Zero Turn Cub Cadet Z 5 Pro Series 60 aus der Zeichnung Lenkgetriebe, Spurstange, Stoßstange:
Artikel 1 - 20 von 38

61,62 € *
Lieferzeit: 2 - 10 Werktage
398,93 € *
Lieferzeit: 2 - 10 Werktage
55,31 € *
Lieferzeit: 2 - 10 Werktage
146,96 € *
Lieferzeit: 2 - 10 Werktage
9,88 € *
Lieferzeit: 2 - 10 Werktage
5,88 € *
Lieferzeit: 2 - 10 Werktage
9,46 € *
Lieferzeit: 2 - 10 Werktage
10,88 € *
Lieferzeit: 2 - 10 Werktage
5,88 € *
Lieferzeit: 2 - 10 Werktage

Artikel 1 - 20 von 38