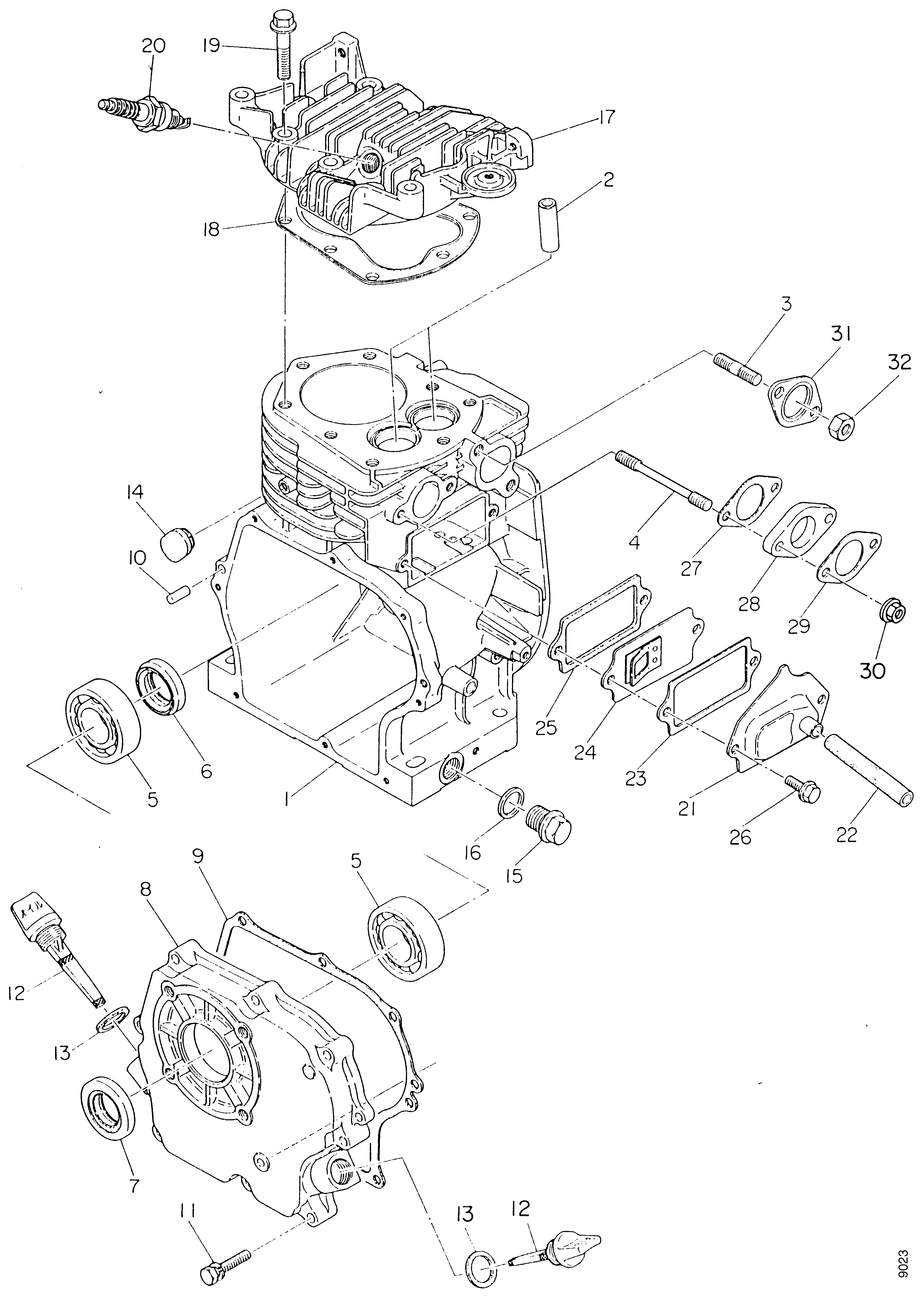
Kurbelgehäuse, Seitendeckel | Robin EY20 DH

Ersatzteile für Agria # Einachser # agria 3500 # Art-Nr 3500031 | agria 3500 STARR O RAD/HA 4T3,2KW # Motor Einzelteile # Kurbelgehäuse, Seitendeckel | Robin EY20 DH

Zeichnung

Sollten Sie Fragen zu einem Ersatzteil für Agria Einachser haben, können Sie uns gerne eine E-Mail (mit einem Foto vom Typenschild Ihres Gerätes) schreiben oder eine Ersatzteilanfrage stellen.

Folgende Ersatzteile für Agria # Einachser # agria 3500 # Art-Nr 3500031 | agria 3500 STARR O RAD/HA 4T3,2KW # Motor Einzelteile # Kurbelgehäuse, Seitendeckel | Robin EY20 DH können Sie hier bestellen:
Artikel 1 - 32 von 32


Artikel 1 - 32 von 32