Kurbelgehäuse, Seitendeckel | Lombardini 6LD360 < Motor-Nr. 2673392 > Motor-Nr. 2725956 <2726155

Ersatzteile für Agria # Einachser # agria 3400 # Art-Nr 3400892 | agria 3400 BW D | Lombardini 6 LD 400 6,2kW, Handstart, Differenzial # Motor Einzelteile # Kurbelgehäuse, Seitendeckel | Lombardini 6LD360 < Motor-Nr. 2673392 > Motor-Nr. 2725956 <2726155

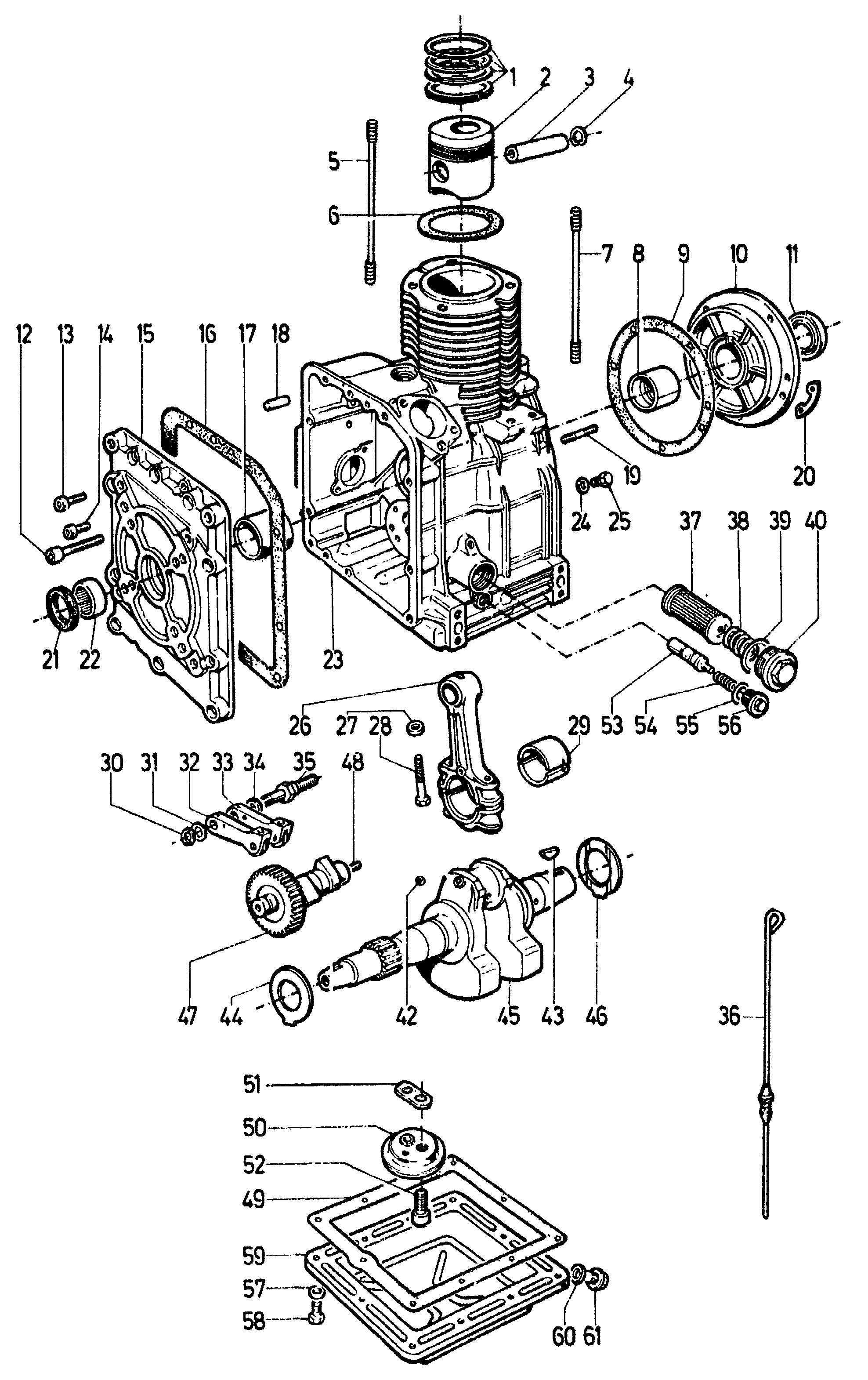
Zeichnung

Sollten Sie Fragen zu einem Ersatzteil für Agria Einachser haben, können Sie uns gerne eine E-Mail (mit einem Foto vom Typenschild Ihres Gerätes) schreiben oder eine Ersatzteilanfrage stellen.

Folgende Ersatzteile für Agria # Einachser # agria 3400 # Art-Nr 3400892 | agria 3400 BW D | Lombardini 6 LD 400 6,2kW, Handstart, Differenzial # Motor Einzelteile # Kurbelgehäuse, Seitendeckel | Lombardini 6LD360 < Motor-Nr. 2673392 > Motor-Nr. 2725956 <2726155 können Sie hier bestellen:
Artikel 1 - 20 von 45


Artikel 1 - 20 von 45