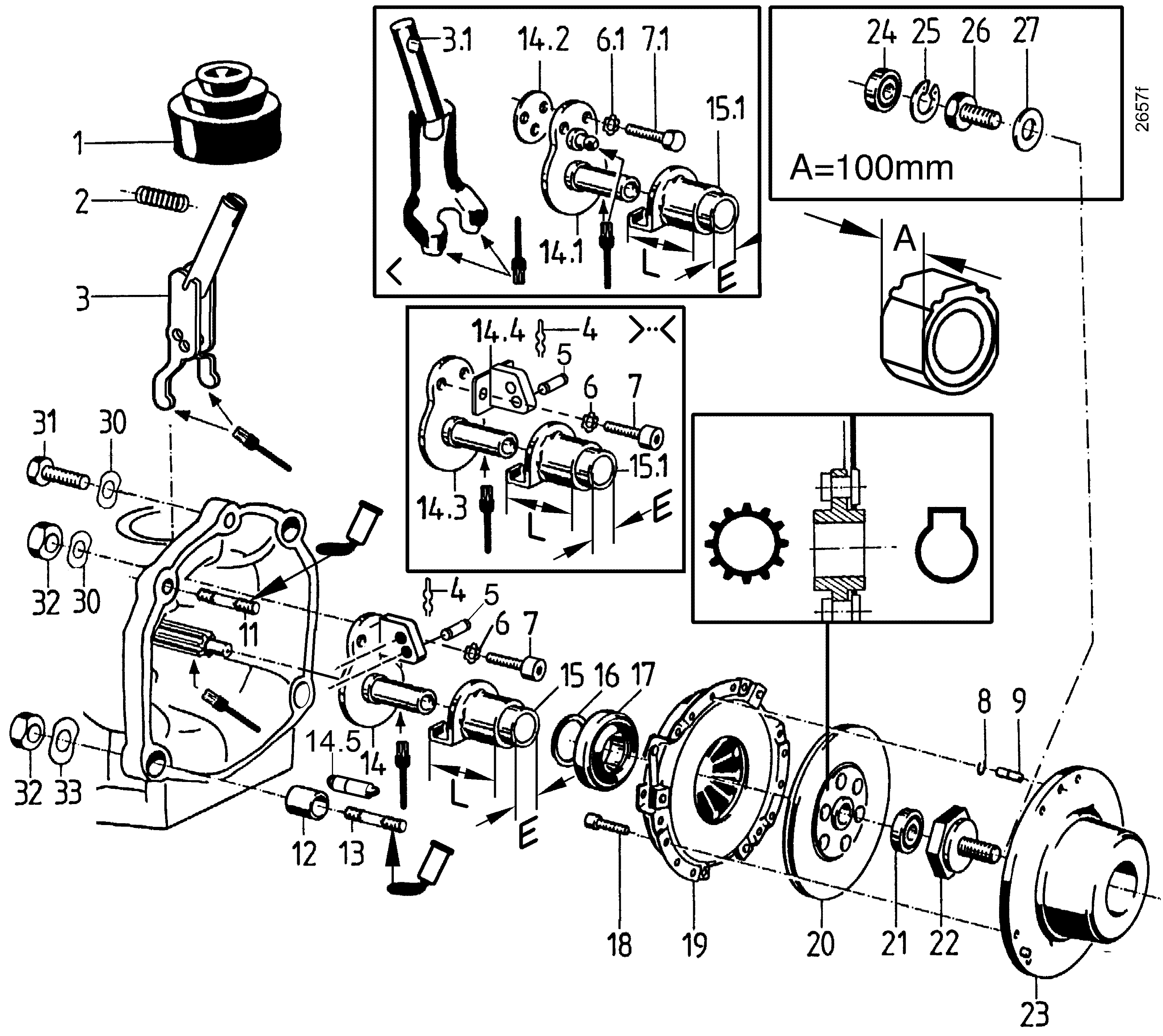
Kupplung, Einscheiben

Ersatzteile für Agria # Einachser # agria 3400 # Art-Nr 3400893 | agria 3400 D Schnellgang | Lombardini 6 LD 400 6,2kW, Handstart, Differenzial # Kupplung # Kupplung, Einscheiben

Zeichnung

Sollten Sie Fragen zu einem Ersatzteil für Agria Einachser haben, können Sie uns gerne eine E-Mail (mit einem Foto vom Typenschild Ihres Gerätes) schreiben oder eine Ersatzteilanfrage stellen.

Folgende Ersatzteile für Agria # Einachser # agria 3400 # Art-Nr 3400893 | agria 3400 D Schnellgang | Lombardini 6 LD 400 6,2kW, Handstart, Differenzial # Kupplung # Kupplung, Einscheiben können Sie hier bestellen:
Artikel 1 - 46 von 46


Artikel 1 - 46 von 46