Kupplung, Einscheiben | > 340083600155

Ersatzteile für Agria # Einachser # agria 3400 # Art-Nr 3400837 | agria 3400 | Kohler CH395, 7,1 kW, Handstart, KL-Ausführung # Kupplung # Kupplung, Einscheiben | > 340083600155

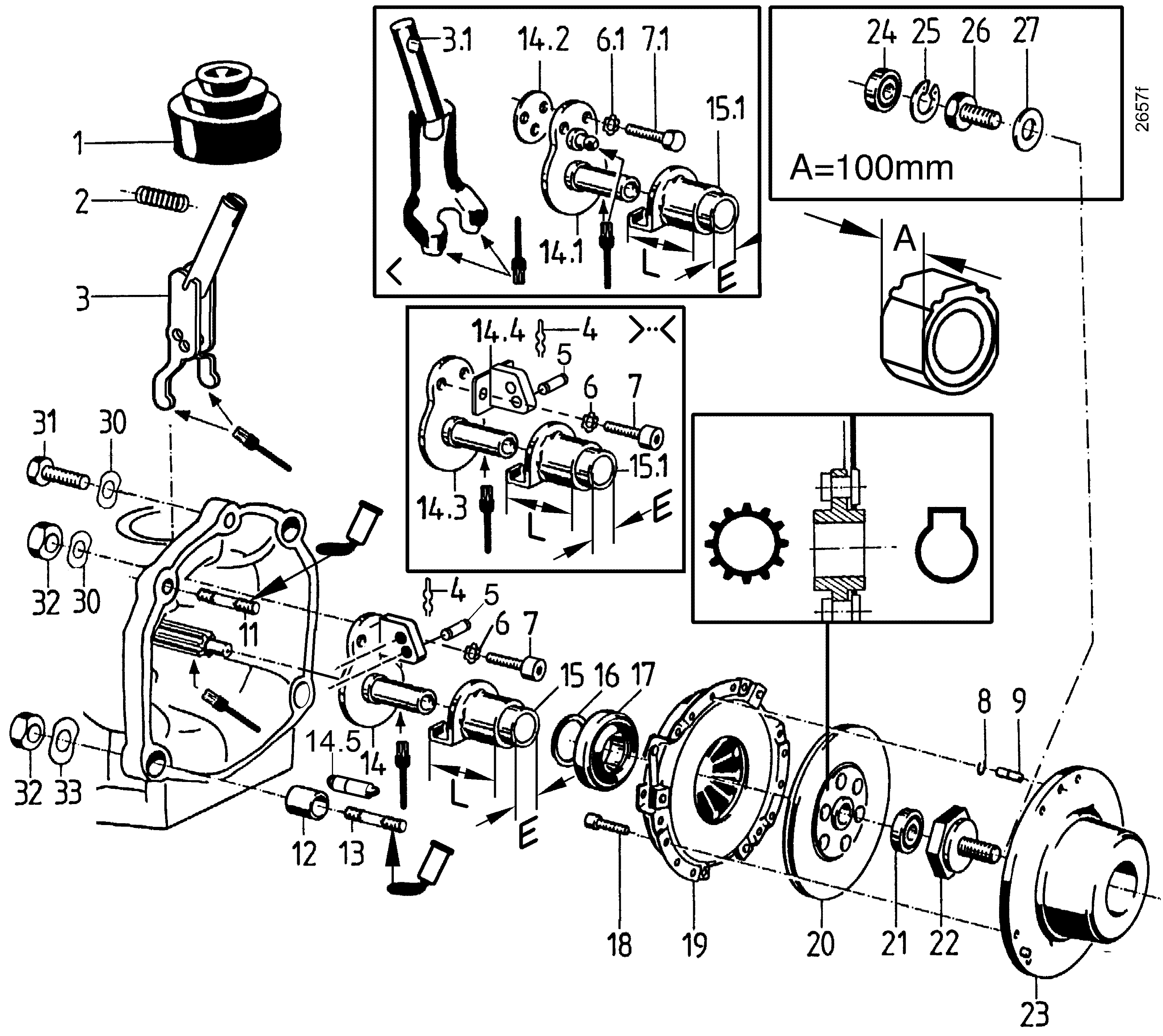
Zeichnung

Sollten Sie Fragen zu einem Ersatzteil für Agria Einachser haben, können Sie uns gerne eine E-Mail (mit einem Foto vom Typenschild Ihres Gerätes) schreiben oder eine Ersatzteilanfrage stellen.

Folgende Ersatzteile für Agria # Einachser # agria 3400 # Art-Nr 3400837 | agria 3400 | Kohler CH395, 7,1 kW, Handstart, KL-Ausführung # Kupplung # Kupplung, Einscheiben | > 340083600155 können Sie hier bestellen:
Artikel 1 - 46 von 46


Artikel 1 - 46 von 46