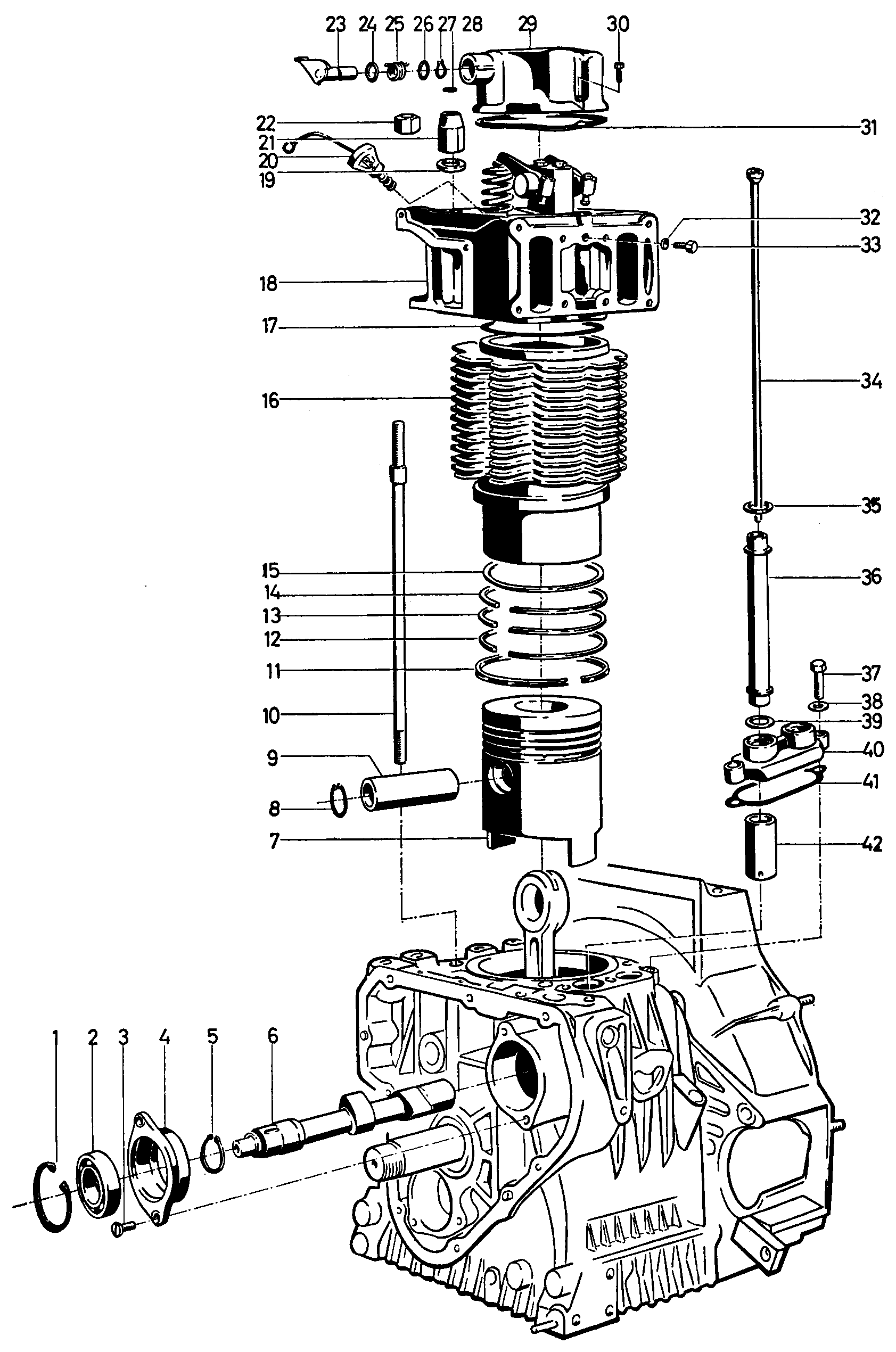
Kolben, Zylinder, Nockenwelle | Ruggerini CRD100 / CRD100P = Typkennzahl 0132

Ersatzteile für Agria # Sonstige # agria 4800 # Art-Nr 4800315 | 4800 315 Serie 45 # Motor Einzelteile # Kolben, Zylinder, Nockenwelle | Ruggerini CRD100 / CRD100P = Typkennzahl 0132

Zeichnung

Sollten Sie Fragen zu einem Ersatzteil für Agria Sonstige haben, können Sie uns gerne eine E-Mail (mit einem Foto vom Typenschild Ihres Gerätes) schreiben oder eine Ersatzteilanfrage stellen.

Folgende Ersatzteile für Agria # Sonstige # agria 4800 # Art-Nr 4800315 | 4800 315 Serie 45 # Motor Einzelteile # Kolben, Zylinder, Nockenwelle | Ruggerini CRD100 / CRD100P = Typkennzahl 0132 können Sie hier bestellen:
Artikel 1 - 24 von 24


Artikel 1 - 24 von 24