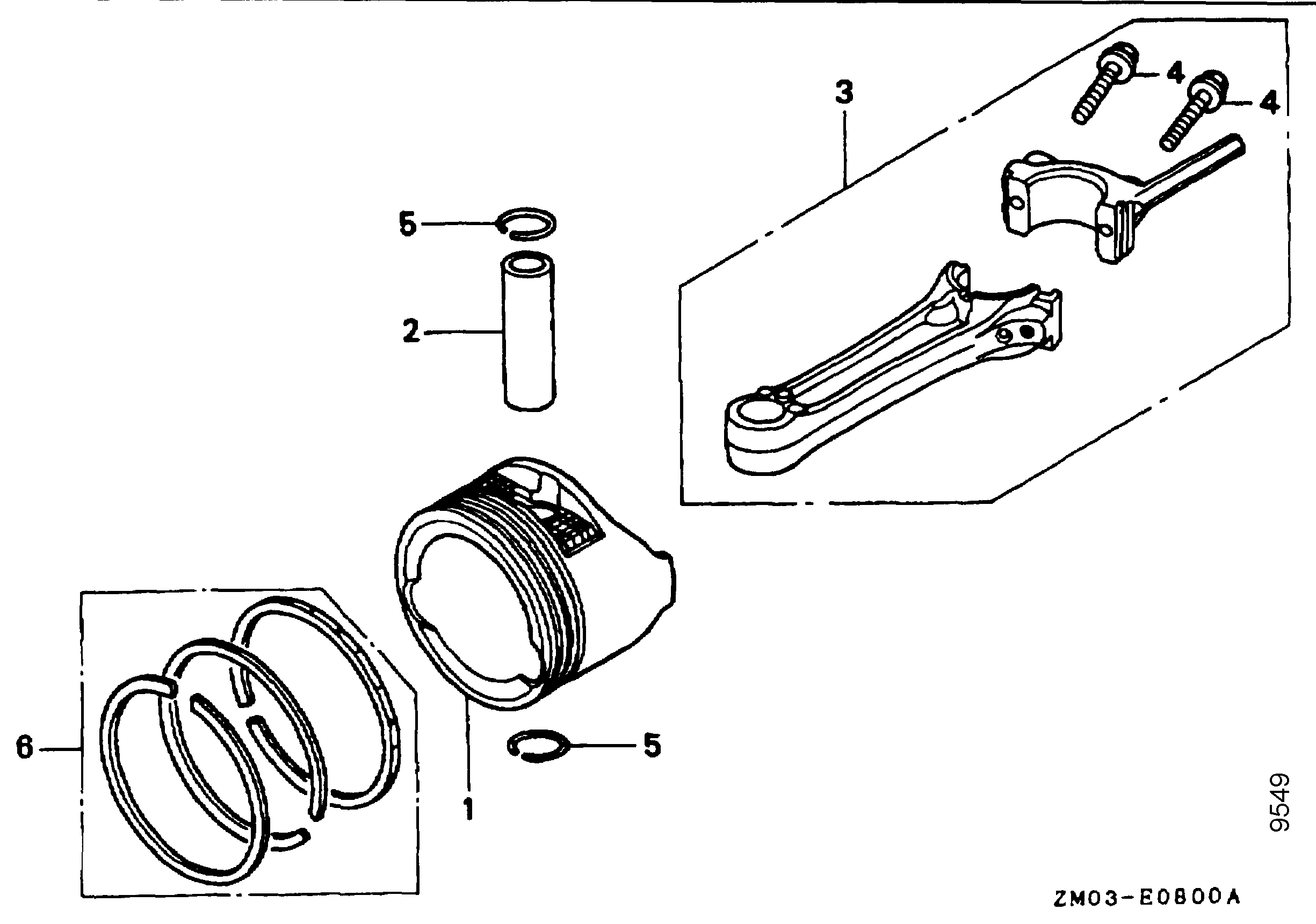
Kolben, Pleuel | Honda GCV160

Ersatzteile für Agria # Motore # Honda # Art-Nr 0016160 | GCV160 # Motor Einzelteile # Kolben, Pleuel | Honda GCV160

Zeichnung

Sollten Sie Fragen zu einem Ersatzteil für Agria Motore haben, können Sie uns gerne eine E-Mail (mit einem Foto vom Typenschild Ihres Gerätes) schreiben oder eine Ersatzteilanfrage stellen.

Folgende Ersatzteile für Agria # Motore # Honda # Art-Nr 0016160 | GCV160 # Motor Einzelteile # Kolben, Pleuel | Honda GCV160 können Sie hier bestellen:
Artikel 1 - 3 von 3

108,26 € *
Lieferzeit: 2 - 10 Werktage
77,21 € *
Lieferzeit: 2 - 10 Werktage
143,93 € *
Lieferzeit: 2 - 10 Werktage

Artikel 1 - 3 von 3