Keilriemen, Messerwalze, Motor

Zeichnung für Wolf-Garten Motorvertikutierer UV 40 H mit der Geräte-Artikelnr. 3640000 Serie D ab Baujahr 2010:

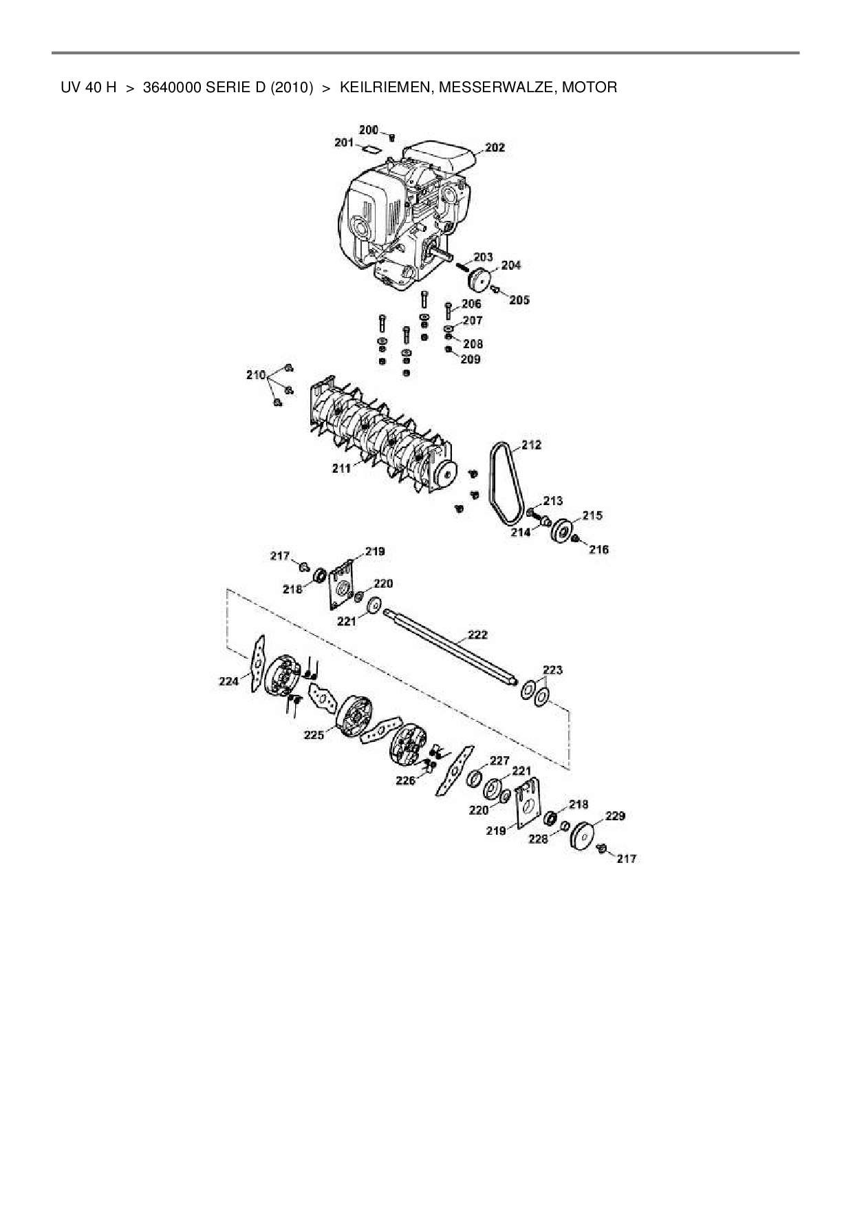
Zeichnung Keilriemen, Messerwalze, Motor

Die Ersatzteil-Zeichnung für Motorvertikutierer Wolf-Garten UV 40 H als Download:
Download Ersatzteil-Zeichnung Wolf-Garten UV 40 H Zeichnung Keilriemen, Messerwalze, Motor (PDF-Format)
Download Ersatzteil-Zeichnung Wolf-Garten UV 40 H Zeichnung Keilriemen, Messerwalze, Motor (JPG-Format)

Sollten Sie Fragen zu einem Ersatzteil haben, können Sie uns gerne eine E-Mail (mit einem Foto vom Typenschild Ihres Gerätes) schreiben oder eine Ersatzteilanfrage stellen.

Ersatzteile für Motorvertikutierer Wolf-Garten UV 40 H aus der Zeichnung Keilriemen, Messerwalze, Motor:
Artikel 1 - 25 von 25

574,10 € *
Lieferzeit: 2 - 10 Werktage
47,71 € *
Lieferzeit: 2 - 10 Werktage
5,88 € *
Lieferzeit: 2 - 10 Werktage
26,36 € *
Lieferzeit: 2 - 10 Werktage
5,88 € *
Lieferzeit: 2 - 10 Werktage
6,88 € *
Lieferzeit: 2 - 10 Werktage
52,37 € *
Lieferzeit: 2 - 10 Werktage
6,88 € *
Lieferzeit: 2 - 10 Werktage
51,39 € *
Lieferzeit: 2 - 10 Werktage

Artikel 1 - 25 von 25