Kapp-/Gehrungssäge GCM 12 JL ( 3 601 M21 100 )

Zeichnung Bosch Kapp-/Gehrungssäge GCM 12 JL 3 601 M21 100:

Zeichnung 1
Zeichnung 2
Zeichnung 3
Zeichnung 4
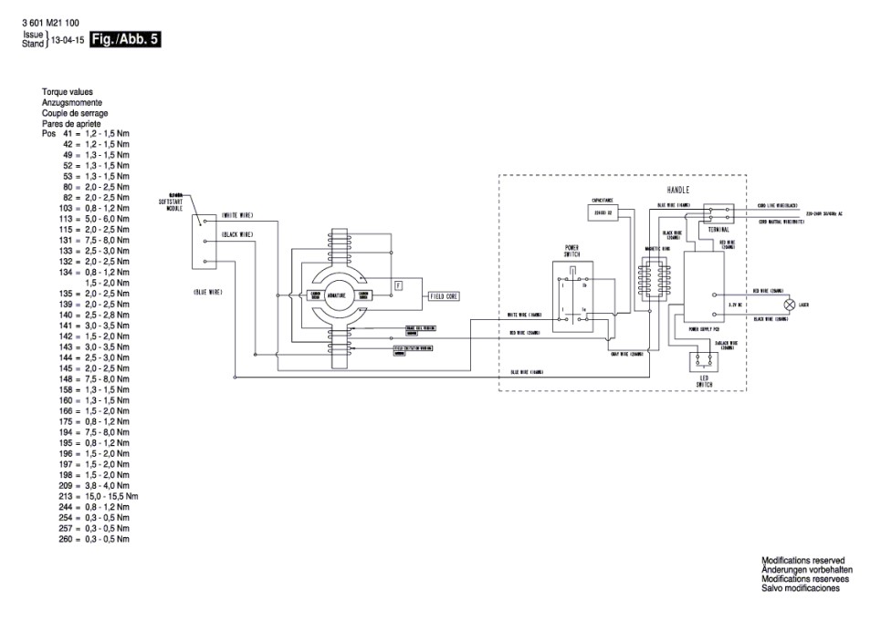
Zeichnung 5

Sollten Sie Fragen zu einem Ersatzteil haben, können Sie uns gerne eine Ersatzteilanfrage stellen.

Hier finden Sie alle Ersatzteile für Bosch Kapp-/Gehrungssäge GCM 12 JL 3 601 M21 100:
Artikel 1 - 20 von 185

10,94 € *
Lieferzeit: 2 - 10 Werktage
209,51 € *
Lieferzeit: 2 - 10 Werktage