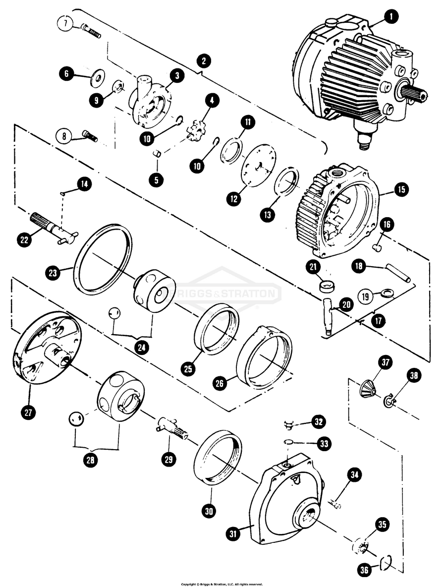
Hydrostatic Transmission

Zeichnung Snapper 80424 - 1650, 16 HP Hydro Drive Garden Tractor (MF) aus der Zeichnungsgruppe Hydrostatic Transmission:

Zeichnung

Sollten Sie Fragen zu einem Ersatzteil haben, können Sie uns gerne eine Ersatzteilanfrage stellen.

Hier finden Sie alle Ersatzteile von Snapper 80424 - 1650, 16 HP Hydro Drive Garden Tractor (MF) der Zeichnungsgruppe Hydrostatic Transmission:
Artikel 1 - 4 von 4


Artikel 1 - 4 von 4