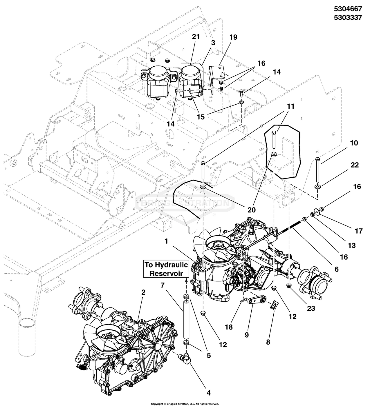
Hydraulic Group

Zeichnung Snapper 5901563 - (ZT, 61", 24, SNP, 560Z, 49ST, DOM) 61" (155 cm), 560Z Series - Zeichnungsgruppe Hydraulic Group:

Zeichnung

Sollten Sie Fragen zu einem Ersatzteil haben, können Sie uns gerne eine Ersatzteilanfrage stellen.

Hier finden Sie alle Ersatzteile von Snapper 5901563 - (ZT, 61", 24, SNP, 560Z, 49ST, DOM) 61" (155 cm), 560Z Series der Zeichnungsgruppe Hydraulic Group:
Artikel 1 - 20 von 22


Artikel 1 - 20 von 22