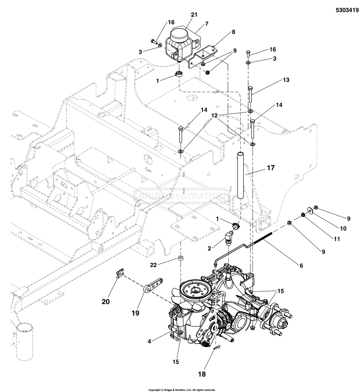
Hydraulic Group

Zeichnung Snapper 5901400 - 550ZKAV2452, 52" 24HP ZTR 550Z Series - Zeichnungsgruppe Hydraulic Group:

Zeichnung

Sollten Sie Fragen zu einem Ersatzteil haben, können Sie uns gerne eine Ersatzteilanfrage stellen.

Hier finden Sie alle Ersatzteile von Snapper 5901400 - 550ZKAV2452, 52" 24HP ZTR 550Z Series der Zeichnungsgruppe Hydraulic Group:
Artikel 1 - 20 von 21


Artikel 1 - 20 von 21