Holm, bis 19.03.2013

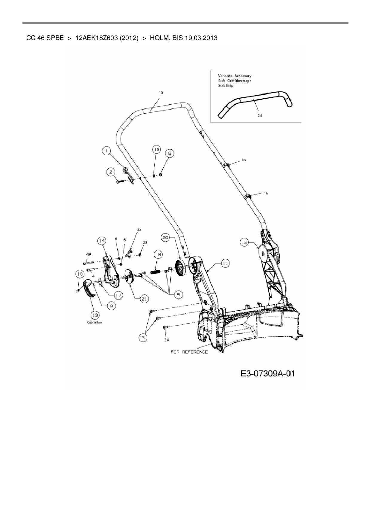
Zeichnung für Cub Cadet Motormäher mit Antrieb CC 46 SPBE mit der Geräte-Artikelnr. 12AEK18Z603 ab Baujahr 2012:

Zeichnung Holm, bis 19.03.2013

Die Ersatzteil-Zeichnung für Motormäher mit Antrieb Cub Cadet CC 46 SPBE als Download:
Download Ersatzteil-Zeichnung Cub Cadet CC 46 SPBE Zeichnung Holm, bis 19.03.2013 (PDF-Format)
Download Ersatzteil-Zeichnung Cub Cadet CC 46 SPBE Zeichnung Holm, bis 19.03.2013 (JPG-Format)

Sollten Sie Fragen zu einem Ersatzteil haben, können Sie uns gerne eine E-Mail (mit einem Foto vom Typenschild Ihres Gerätes) schreiben oder eine Ersatzteilanfrage stellen.

Ersatzteile für Motormäher mit Antrieb Cub Cadet CC 46 SPBE aus der Zeichnung Holm, bis 19.03.2013:
Artikel 1 - 9 von 9


Artikel 1 - 9 von 9