Holm, Bedienelemente (2)

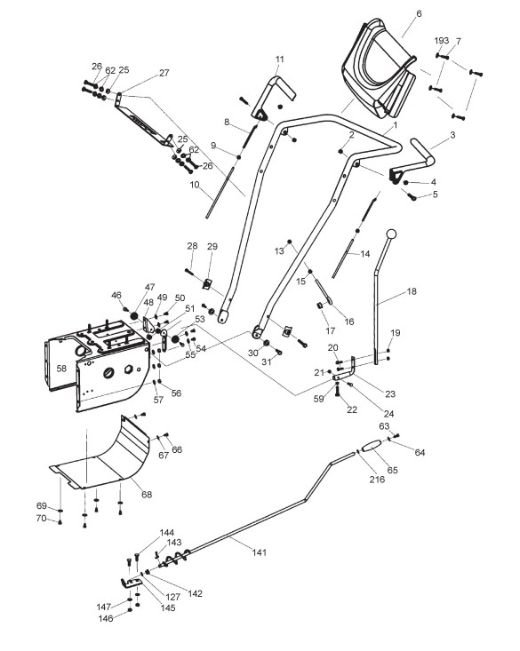
Zeichnungen von Stiga Schneefräsen ST 3256 P mit Geräte Nr. 18-2803-22 ab Baujahr 2016

Zeichnung


Beachten Sie bitte, dass die Gerätebezeichnung Stiga Schneefräsen ST 3256 P, das Baujahr ab 2016 und die Geräte Nr. 18-2803-22 lauten muss, denn nur so kann sichergestellt werden, dass das Ersatzteil passt.
Nur die hier aufgeführten Ersatzteile sind für dieses Gerät verfügbar. Alle anderen Ersatzteile sind nicht mehr lieferbar.
Ersatzteile von Stiga Schneefräsen ST 3256 P (Geräte ID 18-2803-22) Baujahr ab Bj 2016:
Artikel 1 - 16 von 16

18,89 € *
Lieferzeit: 2 - 10 Werktage
6,28 € *
Lieferzeit: 2 - 10 Werktage

Artikel 1 - 16 von 16