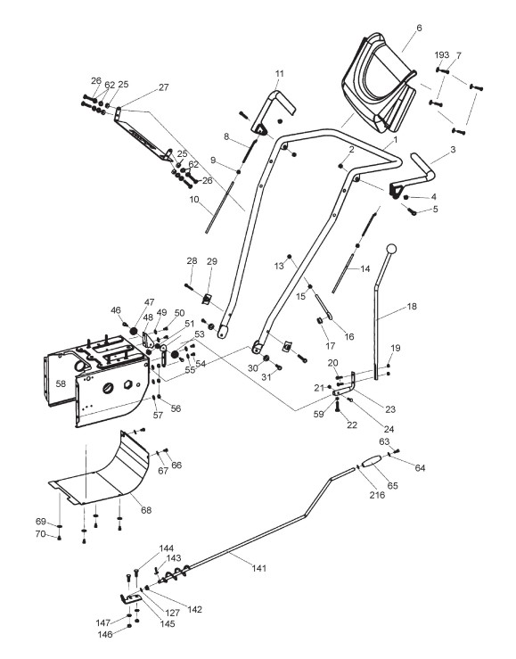
Holm, Bedienelemente (1)

Zeichnungen von Stiga Schneefräsen Snow Cube mit Geräte Nr. 18-2803-31 ab Baujahr 2012

Zeichnung


Beachten Sie bitte, dass die Gerätebezeichnung Stiga Schneefräsen Snow Cube, das Baujahr ab 2012 und die Geräte Nr. 18-2803-31 lauten muss, denn nur so kann sichergestellt werden, dass das Ersatzteil passt.
Nur die hier aufgeführten Ersatzteile sind für dieses Gerät verfügbar. Alle anderen Ersatzteile sind nicht mehr lieferbar.
Ersatzteile von Stiga Schneefräsen Snow Cube (Geräte ID 18-2803-31) Baujahr ab Bj 2012:
Artikel 1 - 32 von 32

6,12 € *
Lieferzeit: 2 - 10 Werktage
5,79 € *
Lieferzeit: 2 - 10 Werktage

Artikel 1 - 32 von 32