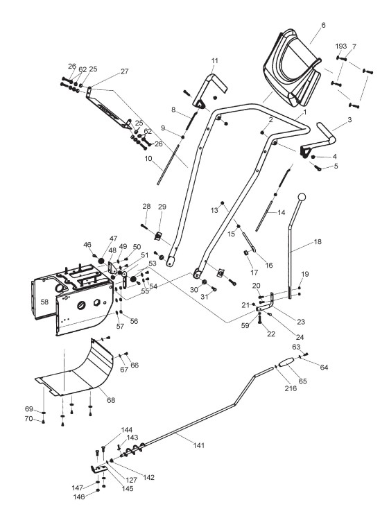
Holm, Bedienelemente (1)

Zeichnungen von Stiga Schneefräsen SNOW CRYSTAL mit Geräte Nr. 18-2804-32 ab Baujahr 2015

Zeichnung


Beachten Sie bitte, dass die Gerätebezeichnung Stiga Schneefräsen SNOW CRYSTAL, das Baujahr ab 2015 und die Geräte Nr. 18-2804-32 lauten muss, denn nur so kann sichergestellt werden, dass das Ersatzteil passt.
Nur die hier aufgeführten Ersatzteile sind für dieses Gerät verfügbar. Alle anderen Ersatzteile sind nicht mehr lieferbar.
Ersatzteile von Stiga Schneefräsen SNOW CRYSTAL (Geräte ID 18-2804-32) Baujahr ab Bj 2015:
Artikel 1 - 20 von 32

6,12 € *
Lieferzeit: 2 - 10 Werktage
5,79 € *
Lieferzeit: 2 - 10 Werktage

Artikel 1 - 20 von 32