Heckenschere CXPHT 22, EX, UK ( 3403842 01029 )

Ersatzteile für Challenge Xtreme Heckenschere CXPHT 22, EX, UK ( 3403842 01029 )

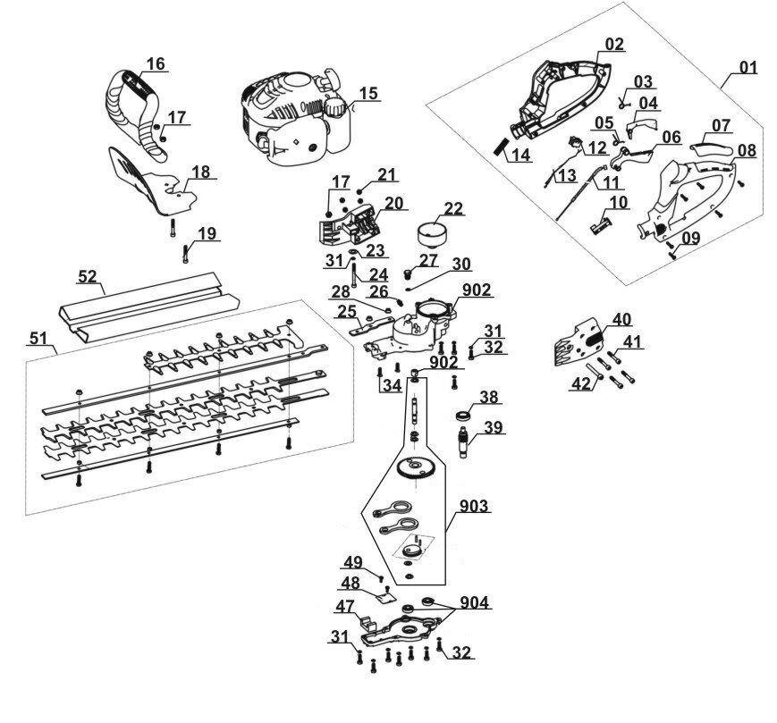
Zeichnung

Sollten Sie Fragen zu einem Ersatzteil vom Challenge Xtreme Heckenschere CXPHT 22, EX, UK ( 3403842 01029 ) haben, können Sie uns gerne eine E-Mail (mit einem Foto vom Typenschild Ihres Gerätes) schreiben oder eine Ersatzteilanfrage stellen.

Folgende Ersatzteile für Challenge Xtreme Heckenschere CXPHT 22, EX, UK ( 3403842 01029 ) können Sie hier bestellen:
Artikel 1 - 80 von 112


Artikel 1 - 80 von 112