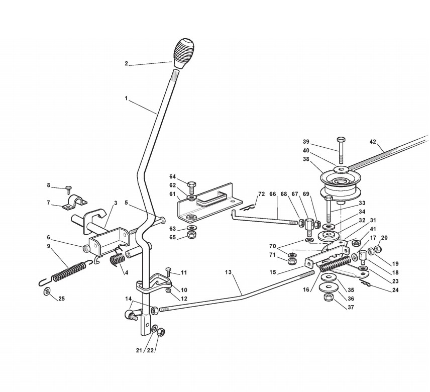
Hebelschaltung der Messer (1)

Zeichnungen von Alpina Aufsitzmäher 72 Y mit Geräte Nr. 2T1132536/09 ab Baujahr 2009

Zeichnung


Beachten Sie bitte, dass die Gerätebezeichnung Alpina Aufsitzmäher 72 Y, das Baujahr ab 2009 und die Geräte Nr. 2T1132536/09 lauten muss, denn nur so kann sichergestellt werden, dass das Ersatzteil passt.
Nur die hier aufgeführten Ersatzteile sind für dieses Gerät verfügbar. Alle anderen Ersatzteile sind nicht mehr lieferbar.
Ersatzteile von Alpina Aufsitzmäher 72 Y (Geräte Nr 2T1132536/09) Baujahr ab 2009:
Artikel 1 - 20 von 46

9,86 € *
Lieferzeit: 2 - 10 Werktage

Artikel 1 - 20 von 46