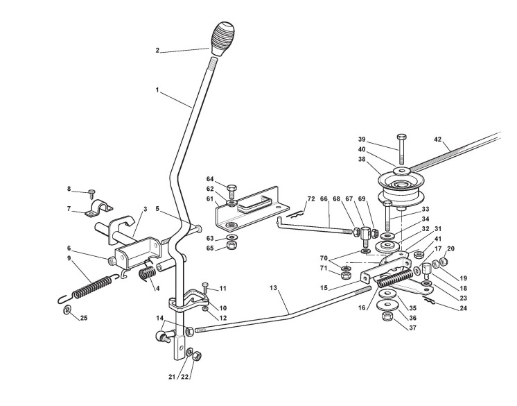
Hebelhaltung der Messer (1)

Zeichnungen von Stiga Aufsitzmäher GARDEN COMBI mit Geräte Nr. 2T1532781/09 ab Baujahr 2009

Zeichnung


Beachten Sie bitte, dass die Gerätebezeichnung Stiga Aufsitzmäher GARDEN COMBI, das Baujahr ab 2009 und die Geräte Nr. 2T1532781/09 lauten muss, denn nur so kann sichergestellt werden, dass das Ersatzteil passt.
Nur die hier aufgeführten Ersatzteile sind für dieses Gerät verfügbar. Alle anderen Ersatzteile sind nicht mehr lieferbar.
Ersatzteile von Stiga Aufsitzmäher GARDEN COMBI (Geräte-ID 2T1532781/09) ab 2009:
Artikel 1 - 40 von 46


Artikel 1 - 40 von 46