Hebelhaltung der Messer (1)

Zeichnungen von Stiga Aufsitzmäher COMBI 1066 HQ AP mit Geräte Nr. 2T0073281/AP17 ab Baujahr 2017

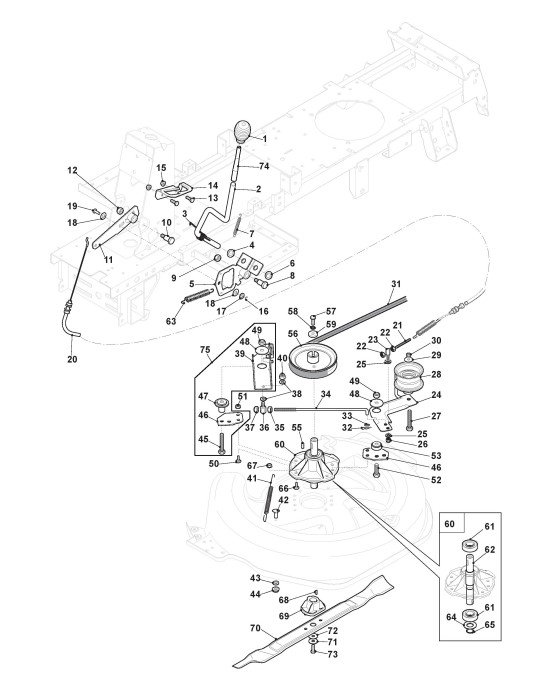
Zeichnung


Beachten Sie bitte, dass die Gerätebezeichnung Stiga Aufsitzmäher COMBI 1066 HQ AP, das Baujahr ab 2017 und die Geräte Nr. 2T0073281/AP17 lauten muss, denn nur so kann sichergestellt werden, dass das Ersatzteil passt.
Nur die hier aufgeführten Ersatzteile sind für dieses Gerät verfügbar. Alle anderen Ersatzteile sind nicht mehr lieferbar.
Ersatzteile von Stiga Aufsitzmäher COMBI 1066 HQ AP (Geräte-ID 2T0073281/AP17) ab 2017:
Artikel 1 - 20 von 46


Artikel 1 - 20 von 46