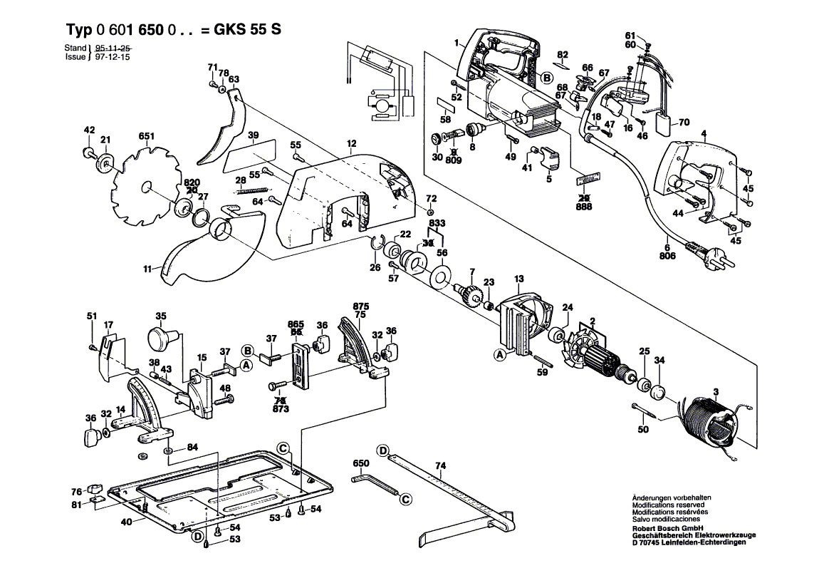
Zeichnungen von Bosch Handkreissäge GKS 55 S mit der Geräte-Artikelnummer 0 601 650 003
Zeichnung 1
Beachten Sie bitte, dass Ihre Geräte Nr. 0 601 650 003 lauten muss. Nur so kann sichergestellt werden, dass das Ersatzteil passt. Sollten Sie Fragen zu einem Ersatzteil haben, können Sie uns gerne eine Mail (mit Bild vom Geräte-Typenschild) schreiben oder eine Ersatzteilanfrage stellen. Ersatzteile von Bosch Handkreissäge GKS 55 S (0 601 650 003):
Durch Klicken auf „Alle akzeptieren“ gestatten Sie den Einsatz folgender Dienste auf unserer Website: YouTube, Vimeo, Google Analytics 4. Sie können die Einstellung jederzeit ändern (Fingerabdruck-Icon links unten). Weitere Details finden Sie unter Konfigurieren und in unserer Datenschutzerklärung.
Datenschutz-Einstellungen
Einstellungen, die Sie hier vornehmen, werden auf Ihrem Endgerät im „Local Storage“ gespeichert und sind beim nächsten Besuch unseres Onlineshops wieder aktiv. Sie können diese Einstellungen jederzeit ändern (Fingerabdruck-Icon links unten).
Informationen zur Cookie-Funktionsdauer sowie Details zu technisch notwendigen Cookies erhalten Sie in unserer Datenschutzerklärung.
Um Inhalte von YouTube auf dieser Seite zu entsperren, ist Ihre Zustimmung zur Datenweitergabe und
Speicherung von Drittanbieter-Cookies des Anbieters YouTube (Google) erforderlich.
Dies erlaubt uns,
unser Angebot sowie das Nutzererlebnis für Sie zu verbessern und interessanter auszugestalten.
Ohne
Ihre Zustimmung findet keine Datenweitergabe an YouTube statt, jedoch können die Funktionen von YouTube
dann auch nicht auf dieser Seite verwendet werden.
Um Inhalte von Vimeo auf dieser Seite zu entsperren, ist Ihre Zustimmung zur Datenweitergabe und
Speicherung von Drittanbieter-Cookies des Anbieters Vimeo erforderlich.
Dies erlaubt uns,
unser Angebot sowie das Nutzererlebnis für Sie zu verbessern und interessanter auszugestalten.
Ohne
Ihre Zustimmung findet keine Datenweitergabe an Vimeo statt, jedoch können die Funktionen von Vimeo
dann auch nicht auf dieser Seite verwendet werden.
Google Analytics ist ein Webanalysedienst von Google Ireland Ltd („Google“). Google verwendet die erhobenen Daten, um nachzuverfolgen und zu untersuchen, wie diese Webseite/App genutzt wird, Berichte über ihre Aktivitäten zu verfassen und diese gemeinsam mit anderen Google-Diensten zu nutzen. Google kann die erhobenen Daten verwenden, um die Anzeigen seines eigenen Werbenetzwerks zu kontextualisieren und personalisieren.
Beschreibung:
Erhobene Daten: anonymisierte IP Adresse, Datum und Uhrzeit des Besuchs, Nutzungsdaten, Klickpfad, App-Aktualisierungen, Browser Informationen, Geräte-Informationen, JavaScript-Support, Besuchte Seiten, Referrer URL, Standort-Informationen, Kaufaktivität, Widget-Interaktionen
Zweck der Datenverarbeitung: Marketing (Einwilligung (DSGVO 6.1.a))
Rechtsgrundlage für die Datenverarbeitung: Einwilligung (DSGVO 6.1.a)
Datenübertragung außerhalb der EU: Dieser Anbieter kann Ihre personenbezogenen Daten außerhalb des EWR/der EU übertragen, speichern oder verarbeiten. Diese Länder haben möglicherweise nicht das gleiche Datenschutzniveau und die Durchsetzung Ihrer Rechte kann eingeschränkt oder nicht möglich sein.
Cookies, die in Ihrem Browser gesetzt werden:
Cookiename
Beispielinhalt
Ablaufzeit
_ga_*
deleted
730 Tage
_ga
GA1.1.8643343795.1726666186
730 Tage
Verarbeitende Firma:
Google Ireland Ltd, Gordon House, Barrow Street, Dublin 4,IE
Sie möchten diesen Inhalt sehen? Aktivieren Sie den gewünschten Inhalt einmalig oder legen Sie eine dauerhafte Freigabe fest. Bei Zustimmung werden Daten beim genannten Drittanbieter abgerufen. Dabei werden unter Umständen Drittanbieter-Cookies auf Ihrem Endgerät gespeichert. Sie können diese Einstellungen jederzeit ändern (Fingerabdruck-Icon links unten). Weitere Details finden Sie in unserer Datenschutzerklärung.