Handantrieb

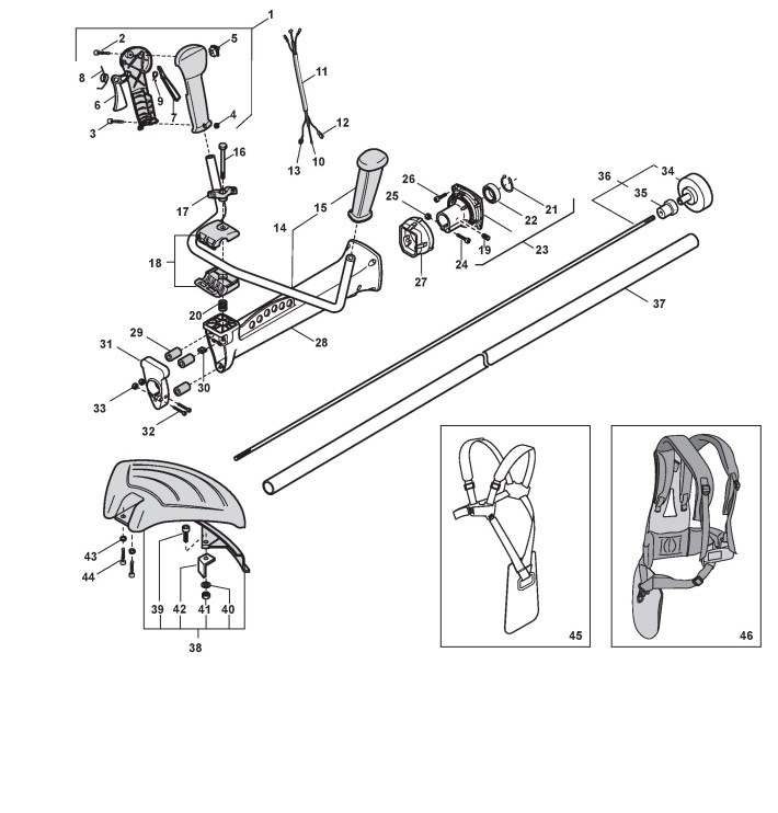
Zeichnung von Castelgarden Benzin Freischneider XB 44 D (281821003/08) ab 2009:

Klicken Sie auf diese Zeichnung

Sollten Sie Fragen zu einem Ersatzteil haben, können Sie uns gerne eine Ersatzteilanfrage stellen.

Hier finden Sie alle Ersatzteile von Castelgarden Benzin Freischneider XB 44 D (281821003/08) ab 2009 aus der Zeichnung Handantrieb:
Artikel 1 - 20 von 38


Artikel 1 - 20 von 38