Handantrieb

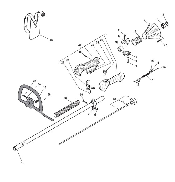
Zeichnung von Castelgarden Benzin Freischneider XB 44 (281720003/08) ab 2008:

Klicken Sie auf diese Zeichnung

Sollten Sie Fragen zu einem Ersatzteil haben, können Sie uns gerne eine Ersatzteilanfrage stellen.

Hier finden Sie alle Ersatzteile von Castelgarden Benzin Freischneider XB 44 (281720003/08) ab 2008 aus der Zeichnung Handantrieb:
Artikel 1 - 20 von 23


Artikel 1 - 20 von 23