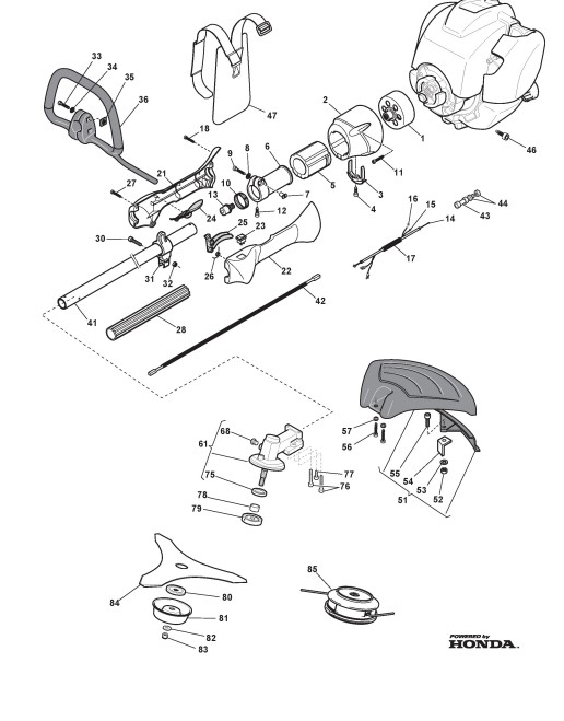
Handantrieb (2)

Zeichnung von Castelgarden Benzin Freischneider XB 425 H (281240003/08) ab 2008:

Klicken Sie auf diese Zeichnung

Sollten Sie Fragen zu einem Ersatzteil haben, können Sie uns gerne eine Ersatzteilanfrage stellen.

Hier finden Sie alle Ersatzteile von Castelgarden Benzin Freischneider XB 425 H (281240003/08) ab 2008 aus der Zeichnung Handantrieb (2):
Artikel 1 - 11 von 11


Artikel 1 - 11 von 11