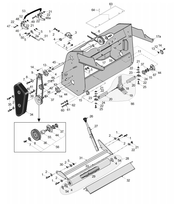
Grundkörper KM-5001 Bj. 2005 bis 05-2006

Zeichnung von ECHO-Motorgeräte Rasentraktoren A-Serie A-200er Serie Bj. September 2002 bis 2005 Grundkörper KM-5001 Bj. 2005 bis 05-2006:

Klicken Sie auf diese Zeichnung

Sollten Sie Fragen zu einem Ersatzteil haben, können Sie uns gerne eine Ersatzteilanfrage stellen.

Hier finden Sie alle Ersatzteile von ECHO-Motorgeräte Rasentraktoren A-Serie A-200er Serie Bj. September 2002 bis 2005:
Artikel 1 - 20 von 43


Artikel 1 - 20 von 43