Grundgerät

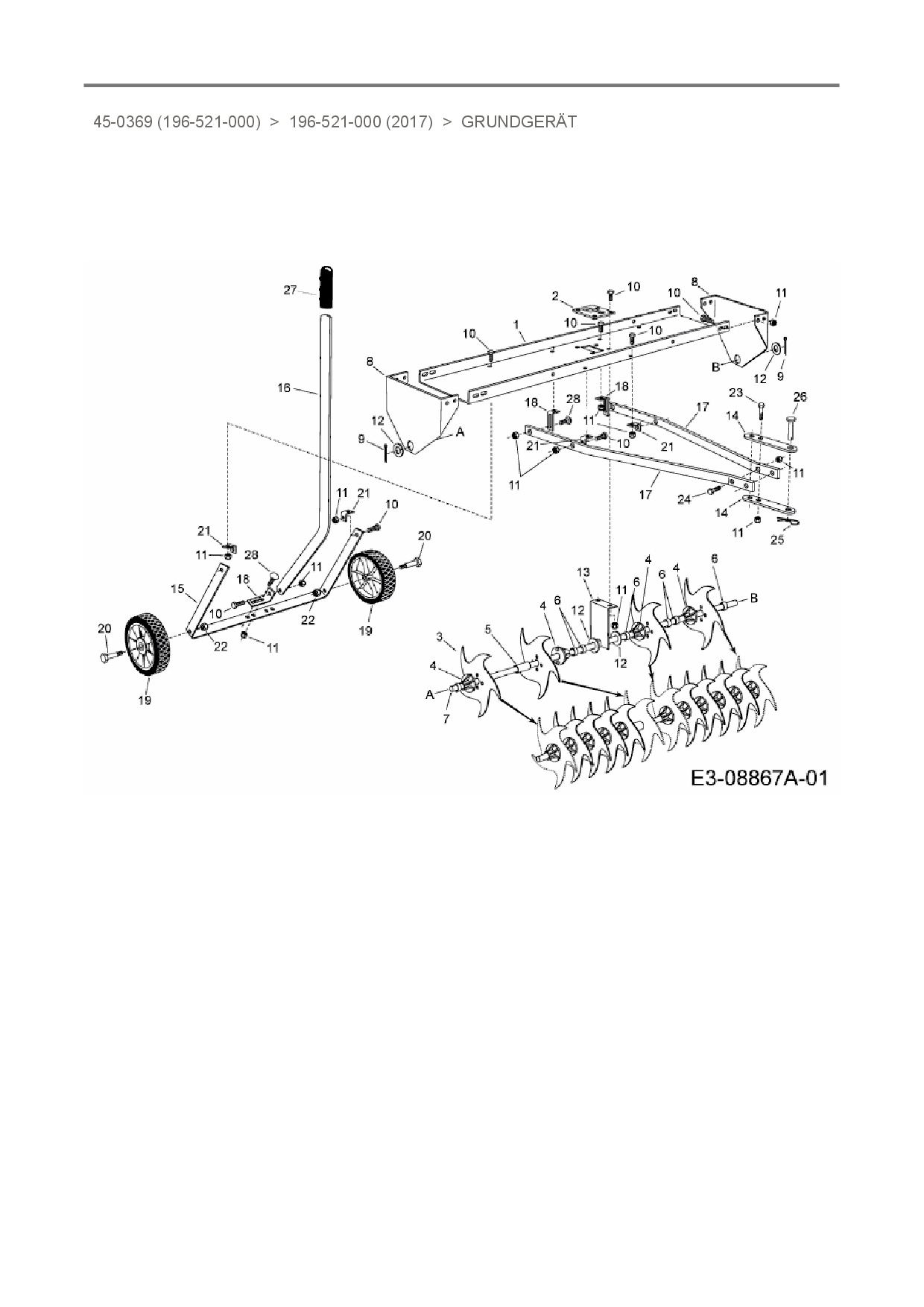
Zeichnung für Zubehör Garten- und Rasentraktoren Rasenlüfter 45-0369 (196-521-000) mit der Geräte-Artikelnr. 196-521-000 ab Baujahr 2017:

Zeichnung Grundgerät

Die Ersatzteil-Zeichnung für Rasenlüfter Zubehör Garten- und Rasentraktoren 45-0369 (196-521-000) als Download:
Download Ersatzteil-Zeichnung Zubehör Garten- und Rasentraktoren 45-0369 (196-521-000) Zeichnung Grundgerät (PDF-Format)
Download Ersatzteil-Zeichnung Zubehör Garten- und Rasentraktoren 45-0369 (196-521-000) Zeichnung Grundgerät (JPG-Format)

Sollten Sie Fragen zu einem Ersatzteil haben, können Sie uns gerne eine E-Mail (mit einem Foto vom Typenschild Ihres Gerätes) schreiben oder eine Ersatzteilanfrage stellen.

Ersatzteile für Rasenlüfter Zubehör Garten- und Rasentraktoren 45-0369 (196-521-000) aus der Zeichnung Grundgerät:
Artikel 1 - 20 von 25


Artikel 1 - 20 von 25