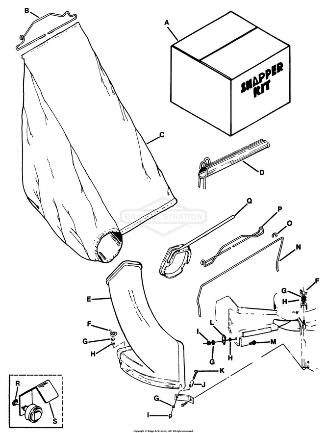
Grass Catcher Kits

Zeichnung Snapper 82353 - V182, 18" 3.5 HP Cast Deck Side Discharge Series 2 - Zeichnungsgruppe Grass Catcher Kits:

Zeichnung

Sollten Sie Fragen zu einem Ersatzteil haben, können Sie uns gerne eine Ersatzteilanfrage stellen.

Hier finden Sie alle Ersatzteile von Snapper 82353 - V182, 18" 3.5 HP Cast Deck Side Discharge Series 2 der Zeichnungsgruppe Grass Catcher Kits:
Artikel 1 - 13 von 13


Artikel 1 - 13 von 13