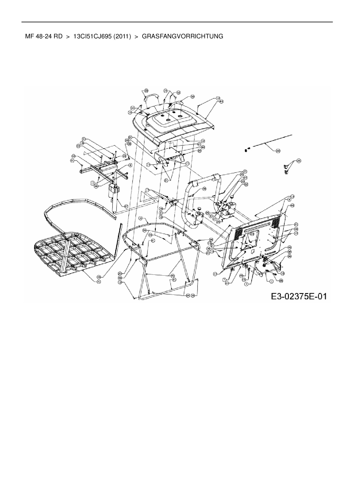
Grasfangvorrichtung

Zeichnung für Massey Ferguson Rasentraktor MF 48-24 RD mit der Geräte-Artikelnr. 13CI51CJ695 ab Baujahr 2011:

Zeichnung Grasfangvorrichtung

Die Ersatzteil-Zeichnung für Rasentraktor Massey Ferguson MF 48-24 RD als Download:
Download Ersatzteil-Zeichnung Massey Ferguson MF 48-24 RD Zeichnung Grasfangvorrichtung (PDF-Format)
Download Ersatzteil-Zeichnung Massey Ferguson MF 48-24 RD Zeichnung Grasfangvorrichtung (JPG-Format)

Sollten Sie Fragen zu einem Ersatzteil haben, können Sie uns gerne eine E-Mail (mit einem Foto vom Typenschild Ihres Gerätes) schreiben oder eine Ersatzteilanfrage stellen.

Ersatzteile für Rasentraktor Massey Ferguson MF 48-24 RD aus der Zeichnung Grasfangvorrichtung:
Artikel 1 - 20 von 40

194,94 € *
Lieferzeit: 2 - 10 Werktage

Artikel 1 - 20 von 40