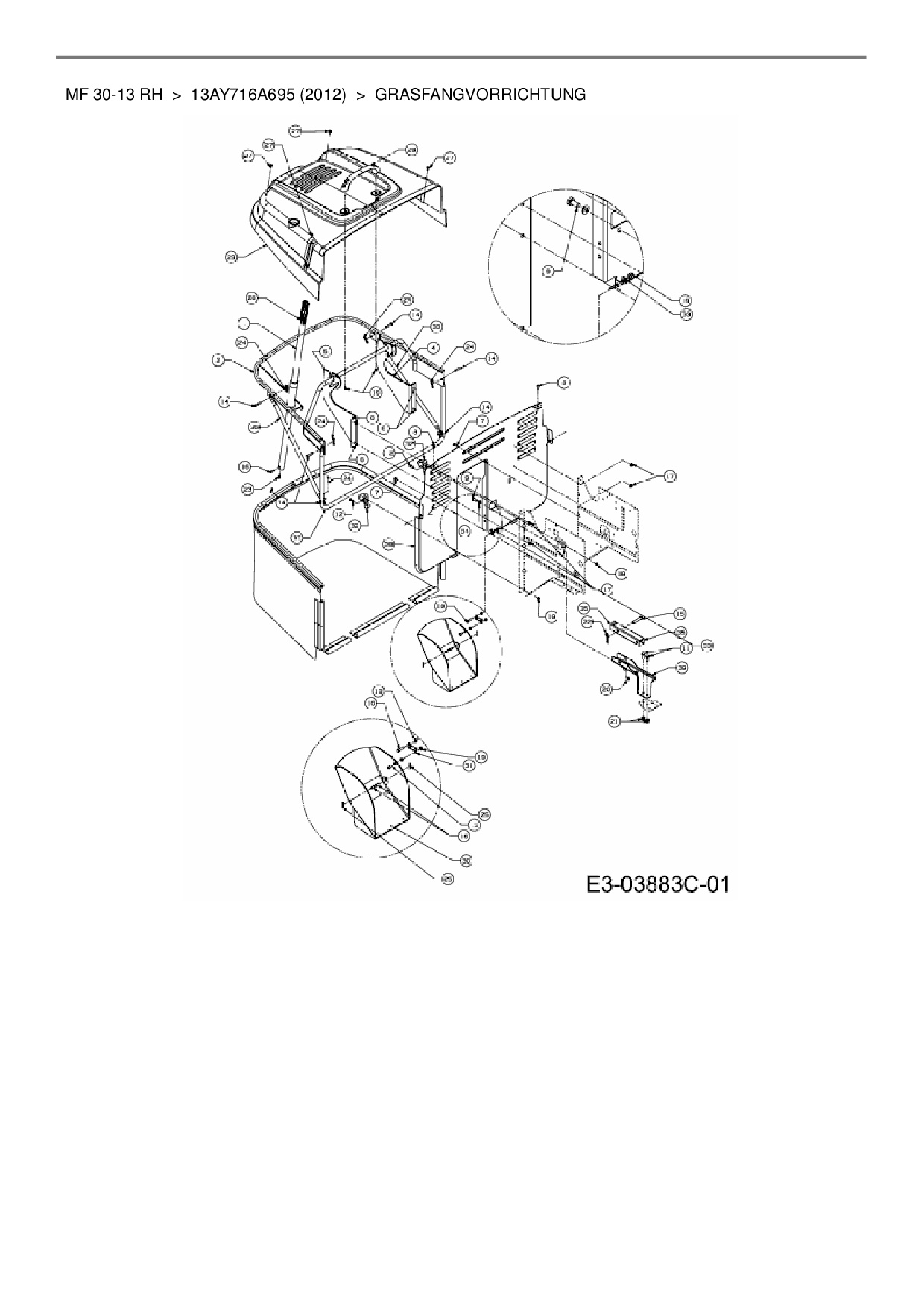
Grasfangvorrichtung

Zeichnung für Massey Ferguson Rasentraktor MF 30-13 RH mit der Geräte-Artikelnr. 13AY716A695 ab Baujahr 2012:

Zeichnung Grasfangvorrichtung

Die Ersatzteil-Zeichnung für Rasentraktor Massey Ferguson MF 30-13 RH als Download:
Download Ersatzteil-Zeichnung Massey Ferguson MF 30-13 RH Zeichnung Grasfangvorrichtung (PDF-Format)
Download Ersatzteil-Zeichnung Massey Ferguson MF 30-13 RH Zeichnung Grasfangvorrichtung (JPG-Format)

Sollten Sie Fragen zu einem Ersatzteil haben, können Sie uns gerne eine E-Mail (mit einem Foto vom Typenschild Ihres Gerätes) schreiben oder eine Ersatzteilanfrage stellen.

Ersatzteile für Rasentraktor Massey Ferguson MF 30-13 RH aus der Zeichnung Grasfangvorrichtung:
Artikel 1 - 20 von 36


Artikel 1 - 20 von 36