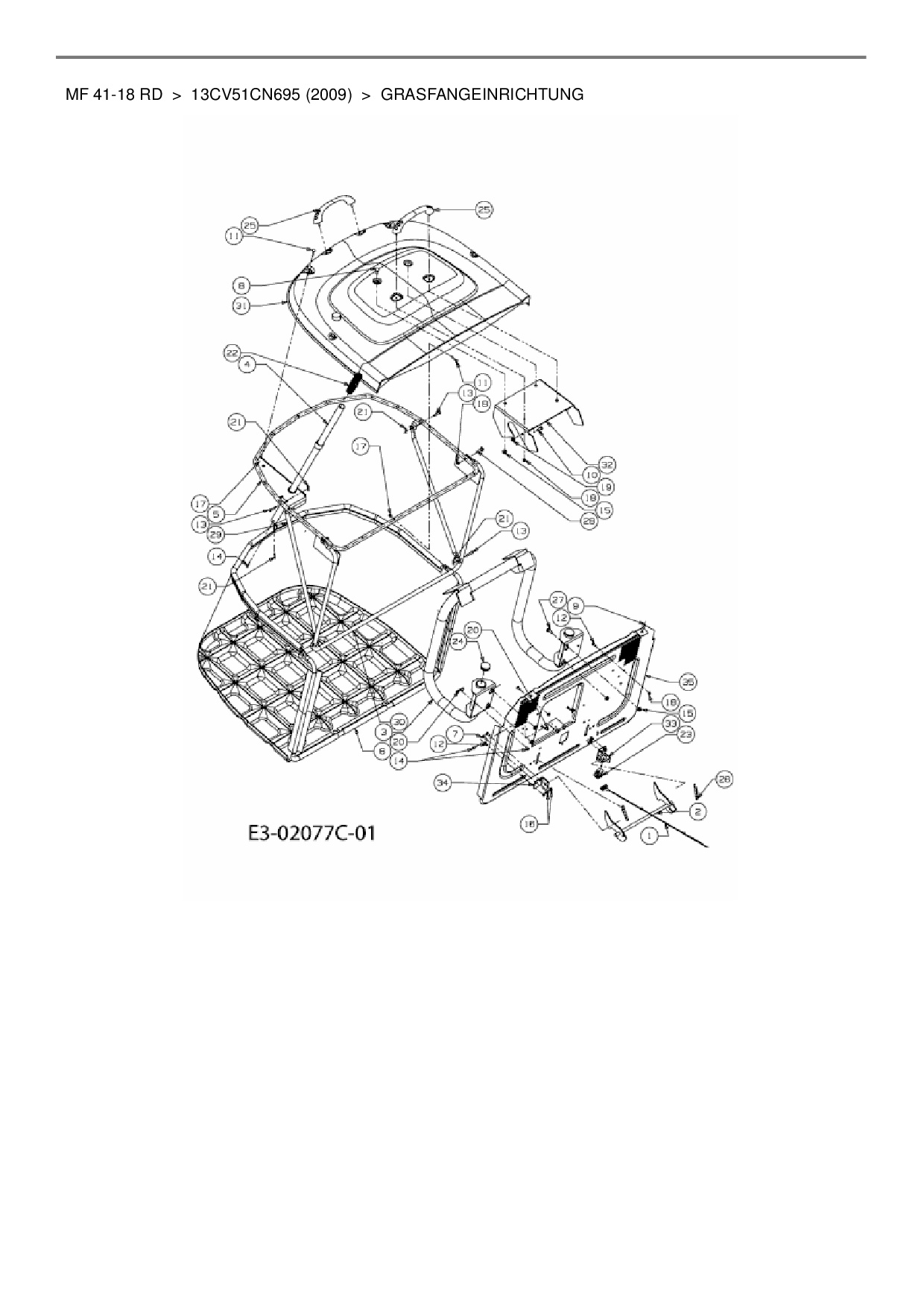
Grasfangeinrichtung

Zeichnung für Massey Ferguson Rasentraktor MF 41-18 RD mit der Geräte-Artikelnr. 13CV51CN695 ab Baujahr 2009:

Zeichnung Grasfangeinrichtung

Die Ersatzteil-Zeichnung für Rasentraktor Massey Ferguson MF 41-18 RD als Download:
Download Ersatzteil-Zeichnung Massey Ferguson MF 41-18 RD Zeichnung Grasfangeinrichtung (PDF-Format)
Download Ersatzteil-Zeichnung Massey Ferguson MF 41-18 RD Zeichnung Grasfangeinrichtung (JPG-Format)

Sollten Sie Fragen zu einem Ersatzteil haben, können Sie uns gerne eine E-Mail (mit einem Foto vom Typenschild Ihres Gerätes) schreiben oder eine Ersatzteilanfrage stellen.

Ersatzteile für Rasentraktor Massey Ferguson MF 41-18 RD aus der Zeichnung Grasfangeinrichtung:
Artikel 1 - 20 von 33

27,66 € *
Lieferzeit: 2 - 10 Werktage
194,94 € *
Lieferzeit: 2 - 10 Werktage

Artikel 1 - 20 von 33