Getriebe

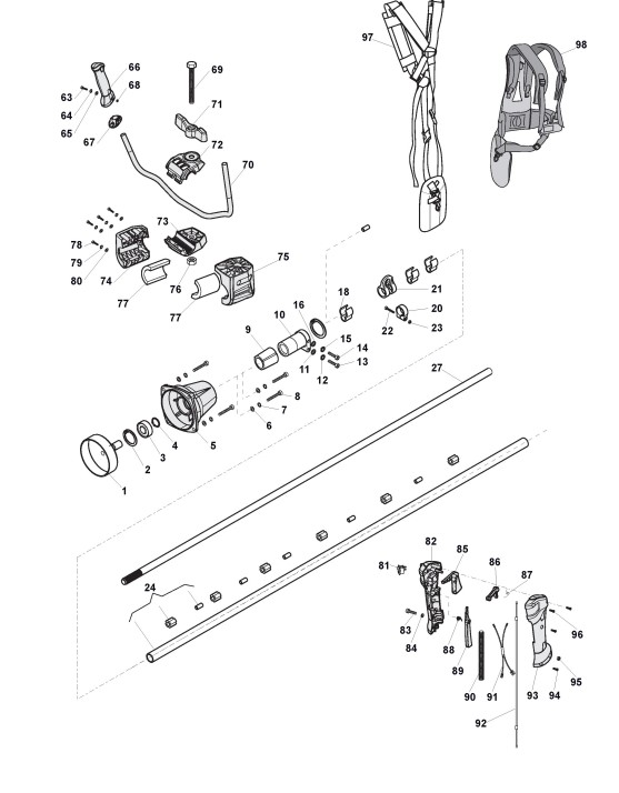
Zeichnungen von Alpina Rasentrimmer/Freischneider BK 35 ED mit Geräte Nr. 288221000/ALX ab Baujahr 2015

Zeichnung


Beachten Sie bitte, dass die Gerätebezeichnung Alpina Rasentrimmer/Freischneider BK 35 ED, das Baujahr ab 2015 und die Geräte Nr. 288221000/ALX lauten muss, denn nur so kann sichergestellt werden, dass das Ersatzteil passt.
Hier finden Sie alle Ersatzteile von Alpina Rasentrimmer/Freischneider BK 35 ED (288221000/ALX) ab Bj. 2015:
Artikel 1 - 20 von 60


Artikel 1 - 20 von 60