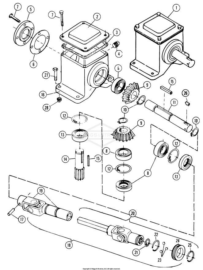
Getriebe

Zeichnung Snapper 7080499 - 54" Mower Attachment (MF) - Zeichnungsgruppe Getriebe:

Zeichnung

Sollten Sie Fragen zu einem Ersatzteil haben, können Sie uns gerne eine Ersatzteilanfrage stellen.

Hier finden Sie alle Ersatzteile von Snapper 7080499 - 54" Mower Attachment (MF) der Zeichnungsgruppe Getriebe:
Artikel 1 - 8 von 8


Artikel 1 - 8 von 8