Getriebe mit elektromagnetischer Kupplung (2)

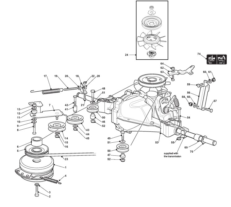
Zeichnungen von Stiga Aufsitzmäher ESTATE 5102 H mit Geräte Nr. 2T1750281/ST1 ab Baujahr 2018

Zeichnung


Beachten Sie bitte, dass die Gerätebezeichnung Stiga Aufsitzmäher ESTATE 5102 H, das Baujahr ab 2018 und die Geräte Nr. 2T1750281/ST1 lauten muss, denn nur so kann sichergestellt werden, dass das Ersatzteil passt.
Nur die hier aufgeführten Ersatzteile sind für dieses Gerät verfügbar. Alle anderen Ersatzteile sind nicht mehr lieferbar.
Ersatzteile von Stiga Aufsitzmäher ESTATE 5102 H (Geräte-ID 2T1750281/ST1) ab 2018:
Artikel 1 - 12 von 12


Artikel 1 - 12 von 12