Getriebe, Räder, Schnitthöhenverstellung

Zeichnung für Stinnes Pro Motormäher mit Antrieb SP 45 BR mit der Geräte-Artikelnr. 12A-T14Z667 ab Baujahr 1999:

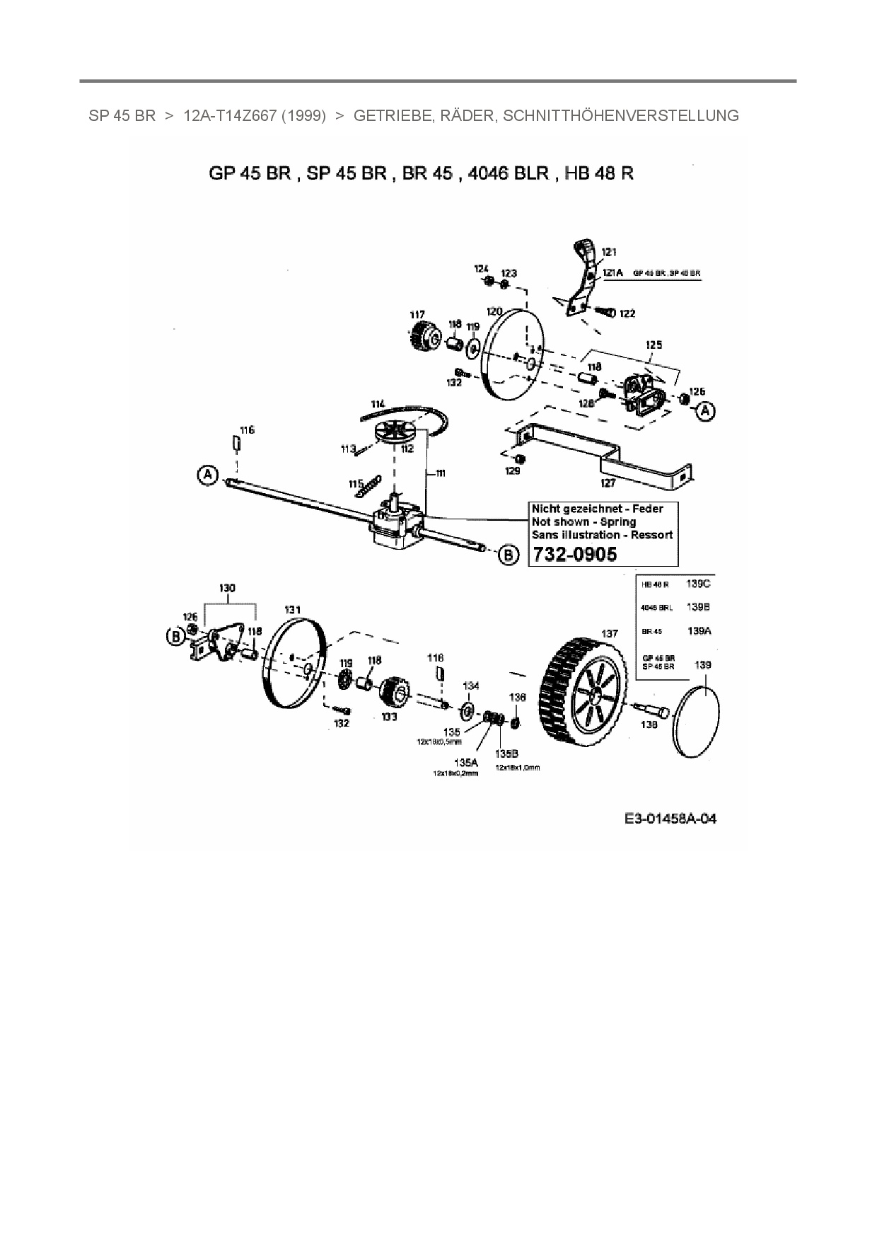
Zeichnung Getriebe, Räder, Schnitthöhenverstellung

Die Ersatzteil-Zeichnung für Motormäher mit Antrieb Stinnes Pro SP 45 BR als Download:
Download Ersatzteil-Zeichnung Stinnes Pro SP 45 BR Zeichnung Getriebe, Räder, Schnitthöhenverstellung (PDF-Format)
Download Ersatzteil-Zeichnung Stinnes Pro SP 45 BR Zeichnung Getriebe, Räder, Schnitthöhenverstellung (JPG-Format)

Sollten Sie Fragen zu einem Ersatzteil haben, können Sie uns gerne eine E-Mail (mit einem Foto vom Typenschild Ihres Gerätes) schreiben oder eine Ersatzteilanfrage stellen.

Ersatzteile für Motormäher mit Antrieb Stinnes Pro SP 45 BR aus der Zeichnung Getriebe, Räder, Schnitthöhenverstellung:
Artikel 1 - 20 von 99