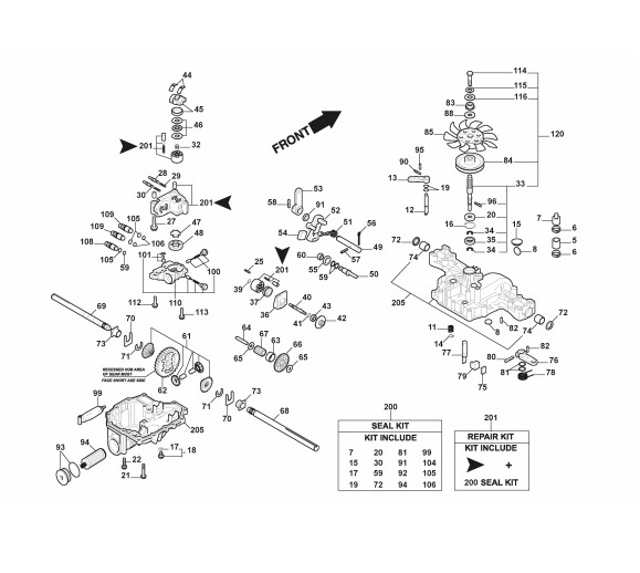
Getriebe - K57V (1)

Zeichnungen von Stiga Frontaufsitzmäher Park Consumer High mit Geräte Nr. 2F6220511/S16 ab Baujahr 2017

Zeichnung


Beachten Sie bitte, dass die Gerätebezeichnung Stiga Frontaufsitzmäher Park Consumer High, das Baujahr ab 2017 und die Geräte Nr. 2F6220511/S16 lauten muss, denn nur so kann sichergestellt werden, dass das Ersatzteil passt.
Nur die hier aufgeführten Ersatzteile sind für dieses Gerät verfügbar. Alle anderen Ersatzteile sind nicht mehr lieferbar.
Ersatzteile von Stiga Frontaufsitzmäher Park 420 P (Geräte ID 2F6220511/S16) Baujahr ab Bj 2017:
Artikel 1 - 20 von 34


Artikel 1 - 20 von 34