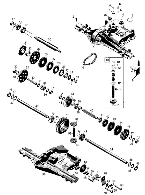
Getriebe (3)

Zeichnung von Mountfield Frontaufsitzmäher 2105M (Geräte Nr 13-2715-97) ab 2007:

Klicken Sie auf diese Zeichnung

Sollten Sie Fragen zu einem Ersatzteil haben, können Sie uns gerne eine Ersatzteilanfrage stellen.

Hier finden Sie alle Ersatzteile von Mountfield Frontaufsitzmäher 2105M (Geräte Nr 13-2715-97) ab 2007 aus der Zeichnung Getriebe (3):
Artikel 1 - 2 von 2


Artikel 1 - 2 von 2