Gehäuse

Zeichnungen von Alpina Rasentrimmer/Freischneider T 28 J mit Geräte Nr. 280110100/12 ab Baujahr 2015

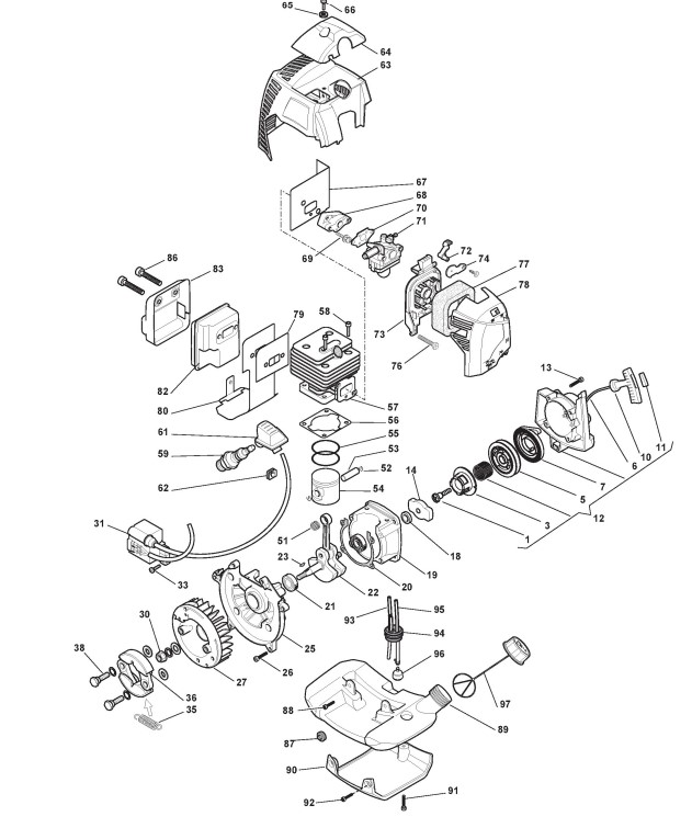
Zeichnung


Beachten Sie bitte, dass die Gerätebezeichnung Alpina Rasentrimmer/Freischneider T 28 J, das Baujahr ab 2015 und die Geräte Nr. 280110100/12 lauten muss, denn nur so kann sichergestellt werden, dass das Ersatzteil passt.
Hier finden Sie alle Ersatzteile von Alpina Rasentrimmer/Freischneider T 28 J (280110100/12) ab Bj. 2015:
Artikel 1 - 20 von 58


Artikel 1 - 20 von 58