Gehäuse, Auswurf (2)

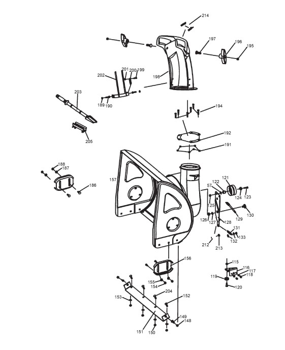
Zeichnungen von Stiga Schneefräsen Snow Cube mit Geräte Nr. 18-2803-29 ab Baujahr 2010

Zeichnung


Beachten Sie bitte, dass die Gerätebezeichnung Stiga Schneefräsen Snow Cube, das Baujahr ab 2010 und die Geräte Nr. 18-2803-29 lauten muss, denn nur so kann sichergestellt werden, dass das Ersatzteil passt.
Nur die hier aufgeführten Ersatzteile sind für dieses Gerät verfügbar. Alle anderen Ersatzteile sind nicht mehr lieferbar.
Ersatzteile von Stiga Schneefräsen Snow Cube (Geräte ID 18-2803-29) Baujahr ab Bj 2010:
Artikel 1 - 5 von 5


Artikel 1 - 5 von 5