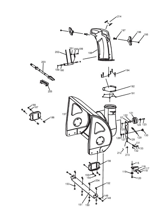
Gehäuse, Auswurf (1)

Zeichnungen von Stiga Schneefräsen SNOW CRYSTAL ES mit Geräte Nr. 18-2804-30 ab Baujahr 2010

Zeichnung


Beachten Sie bitte, dass die Gerätebezeichnung Stiga Schneefräsen SNOW CRYSTAL ES, das Baujahr ab 2010 und die Geräte Nr. 18-2804-30 lauten muss, denn nur so kann sichergestellt werden, dass das Ersatzteil passt.
Nur die hier aufgeführten Ersatzteile sind für dieses Gerät verfügbar. Alle anderen Ersatzteile sind nicht mehr lieferbar.
Ersatzteile von Stiga Schneefräsen SNOW CRYSTAL ES (Geräte ID 18-2804-30) Baujahr ab Bj 2010:
Artikel 1 - 36 von 36


Artikel 1 - 36 von 36