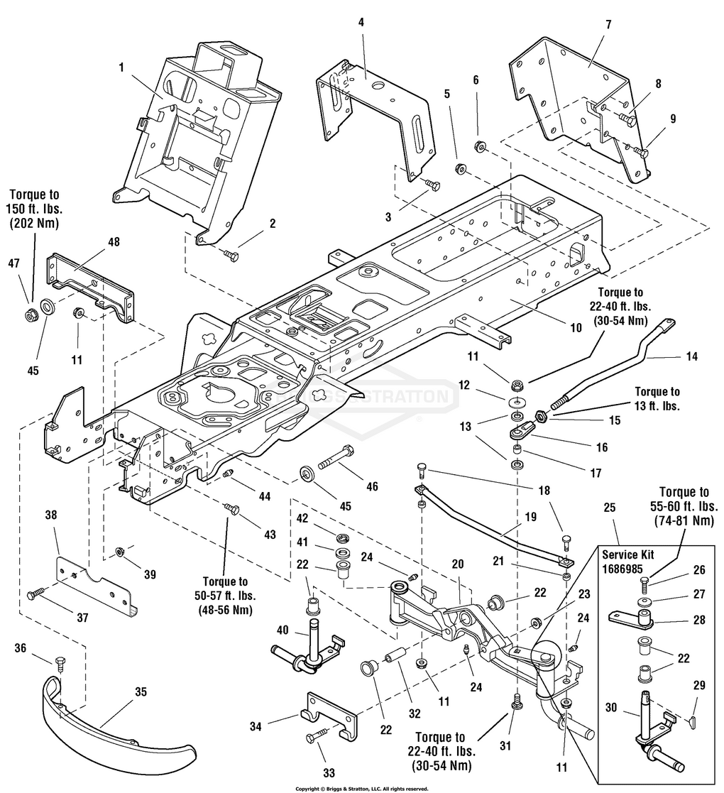
Frame Group - Manual Steering

Zeichnung Snapper 2690457 - YT21440, 44" 21 HP Hydro Drive RMO Tractor YT400 Series aus der Zeichnungsgruppe Frame Group - Manual Steering:

Zeichnung

Sollten Sie Fragen zu einem Ersatzteil haben, können Sie uns gerne eine Ersatzteilanfrage stellen.

Hier finden Sie alle Ersatzteile von Snapper 2690457 - YT21440, 44" 21 HP Hydro Drive RMO Tractor YT400 Series der Zeichnungsgruppe Frame Group - Manual Steering:
Artikel 1 - 20 von 38


Artikel 1 - 20 von 38